Product Summary
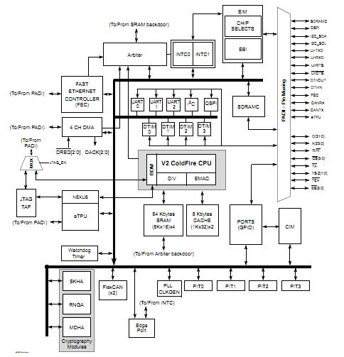
The MCF5232CAB80 is a highly-integrated 32-bit microcontroller based on the V2 ColdFire microarchitecture. Featuring a 16 or 32 channel eTPU, 64 Kbytes of internal SRAM, a 2-bank SDRAM controller, four 32-bit timers with dedicated DMA, a 4 channel DMA controller, up to 2 CAN modules, 3 UARTs and a queued SPI, the MCF5232CAB80 has been designed for general purpose industrial control applications. It is also a high-performance upgrade for users of the MC68332.
Parametrics
MCF5232CAB80 absolute maximum ratings: (1)Core Supply Voltage, VDD: – 0.5 to +2.0 V; (2)Pad Supply Voltage, OVDD: – 0.3 to +4.0 V; (3)Clock Synthesizer Supply Voltage, VDDPLL: – 0.3 to +4.0 V; (4)Digital Input Voltage, VIN: – 0.3 to + 4.0 V; (5)Instantaneous Maximum Current, Single pin limit (applies to all pins), ID: 25 mA; (6)Operating Temperature Range (Packaged) TA: – 40 to 85℃; (7)Storage Temperature Range, Tstg: – 65 to 150℃.
Features
MCF5232CAB80 features: (1)64 Kbytes of internal SRAM; (2)External bus speed of half the CPU operating frequency (75 MHz bus @ 150 MHz core); (3)10/100 Mbps bus-mastering Ethernet controller; (4)8 Kbytes of configurable instruction/data cache; (5)Three universal asynchronous receiver/transmitters (UARTs) with DMA support; (6)Controller area network 2.0B (FlexCAN module); (7)Inter-integrated circuit (I2C) bus controller; (8)Queued serial peripheral interface (QSPI) module; (9)Hardware cryptography accelerator (optional); (10)4-channel, 32-bit direct memory access (DMA) controller; (11)4-channel, 32-bit input capture/output compare timers with optional DMA support; (12)4-channel, 16-bit periodic interrupt timers (PITs); (13)Programmable software watchdog timer; (14)Interrupt controller capable of handling up to 126 interrupt sources; (15)Clock module with phase locked loop (PLL); (16)External bus interface module including a 2-bank synchronous DRAM controller; (17)32-bit, non-multiplexed bus with up to 8 chip select signals that support page-mode FLASH memories.
Diagrams

| Image | Part No | Mfg | Description | ![]() |
Pricing (USD) |
Quantity | ||||||||||||
|---|---|---|---|---|---|---|---|---|---|---|---|---|---|---|---|---|---|---|
![]() |
![]() MCF5232CAB80 |
![]() Freescale Semiconductor |
![]() Microprocessors (MPU) MCF5232 V2CORE 64KSRAM |
![]() Data Sheet |
![]()
|
|
||||||||||||
| Image | Part No | Mfg | Description | ![]() |
Pricing (USD) |
Quantity | ||||||||||||
![]() |
![]() MCF500VKIT5 |
![]() Cornell Dubilier |
![]() Capacitor Kits MICA CHIP KIT |
![]() Data Sheet |
![]()
|
|
||||||||||||
![]() |
![]() MCF50SJR-100K |
![]() |
![]() RES MELF CARB 100K OHM 1/2W 5% |
![]() Data Sheet |
![]() Negotiable |
|
||||||||||||
![]() |
![]() MCF50SJR-10K |
![]() |
![]() RES MELF CARB 10K OHM 1/2W 5% |
![]() Data Sheet |
![]() Negotiable |
|
||||||||||||
![]() |
![]() MCF50SJR-1K |
![]() Yageo |
![]() Carbon Film Resistors - SMD 1K OHM 1/2W 5% |
![]() Data Sheet |
![]()
|
|
||||||||||||
![]() |
![]() MCF50SJR-47R |
![]() Yageo |
![]() Carbon Film Resistors - SMD 47 OHM 1/2W 5% |
![]() Data Sheet |
![]()
|
|
||||||||||||
![]() |
![]() MCF51AC128ACFUE |
![]() Freescale Semiconductor |
![]() 32-bit Microcontrollers (MCU) 128K FLASH, 32K RAM CAN |
![]() Data Sheet |
![]()
|
|
||||||||||||
(China (Mainland))










