Product Summary
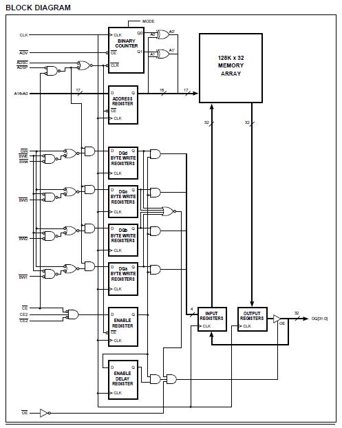
The IS61SP12832-5TQ is a high-speed, low-power synchronous static RAM designed to provide a burstable, high-performance, secondary cache for the Pentium, 680X0, and PowerPC microprocessors.
Parametrics
Absolute maximum ratings: (1)Temperature Under Bias: -10 to +85 ℃; (2)Storage Temperature: -0.5 to +150 ℃; (3)Power Dissipation: 1.6 W; (4)Output Current (per I/O): 100 mA; (5)Voltage Relative to GND for I/O Pins: -0.5 to VCCQ + 0.3 V; (6)Voltage Relative to GND for Address and Control Inputs: -0.5 to VCC + 0.5 V; (7)Voltage on Vcc Supply Relatiive to GND: -0.5 to 4.6 V.
Features
Features: (1)Internal self-timed write cycle; (2)Individual Byte Write Control and Global Write; (3)Clock controlled, registered address, data and control; (4)Pentium or linear burst sequence control using MODE input; (5)Three chip enables for simple depth expansion and address pipelining; (6)Common data inputs and data outputs; (7)JEDEC 100-Pin LQFP and 119-pin PBGA package; (8)Single +3.3V, +10%, -5% power supply; (9)Power-down snooze mode.
Diagrams

![]() |
![]() IS61(64)LF12832A |
![]() Other |
![]() |
![]() Data Sheet |
![]() Negotiable |
|
||||
![]() |
![]() IS61(64)LF12836A |
![]() Other |
![]() |
![]() Data Sheet |
![]() Negotiable |
|
||||
![]() |
![]() IS61(64)LF25618A |
![]() Other |
![]() |
![]() Data Sheet |
![]() Negotiable |
|
||||
![]() |
![]() IS61(64)LPS12832A |
![]() Other |
![]() |
![]() Data Sheet |
![]() Negotiable |
|
||||
![]() |
![]() IS61(64)LPS12836A |
![]() Other |
![]() |
![]() Data Sheet |
![]() Negotiable |
|
||||
![]() |
![]() IS61(64)LPS25618A |
![]() Other |
![]() |
![]() Data Sheet |
![]() Negotiable |
|
||||
(China (Mainland))








