Product Summary
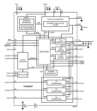
The TDA8004T/C1(p/b) is a complete low cost analog interface for asynchronous smart cards. It can be placed betw the card and the microcontroller with very few external components to perform all supply protection and control functions. The TDA8004T/C1(p/b) is used in IC card readers for banking, Electronic payment, Identification, Pay TV.
Parametrics
TDA8004T/C1(p/b) absolute maximum ratings: (1)VDD, VDDP supply voltage: -0.3 to +7 V; (2)Vn1 voltage on pins: XTAL1, XTAL2, RFU1, RSTIN, AUX2UC, AUX1UC, I/OUC, CLKDIV1, CLKDIV2, CMDVCC and OFF: -0.3 to +7 V; (3)Vn2 voltage on card contact pins PRES, PRES, I/O, RST, AUX1, AUX2 and CLK: -0.3 to +7 V; (4)Vn3 voltage on pin VUP, S1 and S2: 9 V; (5)Tstg IC storage temperature: -55 to +125 ℃; (6)Ptot continuous total power dissipation: - 0.56 W; (7)Tj junction temperature: 150 ℃; (8)Ves1 electrostatic voltage on pins: I/O, RST, VCC, AUX1, CLK, AUX2, PRES and PRES: -6 to +6 kV; (9)Ves2 electrostatic voltage on all other pins: -2 to +2 kV.
Features
TDA8004T/C1(p/b) features: (1)3 or 5 V supply for the IC (GND and VDD); (2)Step-up converter for VCC generation (separately powered with a 5 V ±10% supply, VDDP and PGND); (3)3 specific protected half duplex bidirectional buffered I/O lines (C4, C7 and C8); (4)VCC regulation 5 V ±5% on 2 × 100 nF or 1 × 100 nF and 1 × 220 nF multilayer ceramic capacitors with low ESR, ICC < 65 mA at 4.5 V < VDDP < 6.5 V, current spikes of 40 nAs up to 20 MHz, with controlled rise and fall times, filtered overload detection approximately 90 mA); (5)Thermal and short-circuit protections on all card contacts; (6)26 MHz integrated crystal oscillator; (7)Non-inverted control of RST via pin RSTIN.
Diagrams

![]() |
![]() TDA8000 |
![]() Other |
![]() |
![]() Data Sheet |
![]() Negotiable |
|
||||
![]() |
![]() TDA8000T |
![]() Other |
![]() |
![]() Data Sheet |
![]() Negotiable |
|
||||
![]() |
![]() TDA8001 |
![]() Other |
![]() |
![]() Data Sheet |
![]() Negotiable |
|
||||
![]() |
![]() TDA8002 |
![]() Other |
![]() |
![]() Data Sheet |
![]() Negotiable |
|
||||
![]() |
![]() TDA8002C |
![]() Other |
![]() |
![]() Data Sheet |
![]() Negotiable |
|
||||
![]() |
![]() TDA8002C/CD |
![]() NXP Semiconductors |
![]() I/O Controller Interface IC SMRT CRD INTERFCE IC |
![]() Data Sheet |
![]() Negotiable |
|
||||
(China (Mainland))








