Product Summary
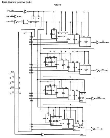
The SN74LS294N is a programmable frequency divider. It contains 15 flip-flops plus 29 gates on a single chip. The SN74LS294N is under digital control of the inputs provided. It features an active-low clear input to intialize the state of all flip-flops. The SN74LS294N is easily cascadable giving limitless possibilities to timing delays that can be achieved.
Parametrics
SN74LS294N absolute maximum ratings: (1)VCC, supply voltage: 4.75 to 5.25V, 5V typ; (2)VIH, high-level input voltage: 2V min; (3)VIL, low-level input voltage: 0.8V max; (4)IOH, high-level output current: -1.2mA max; (5)IOL, low-level output current: 24mA max; (6)fclock, clock frequency: 0 to 30MHz; (7)tw, duration of clock input pulse: 16ns min; (8)tw, duration of clear pulse: 55ns min; (9)tsu, clear inactive-state set uptime: 15ns; (10)TA, operating free-air temperature: 0 to 70℃.
Features
SN74LS294N features: (1)count divider chain; (2)digitally programmable for 4 to 2n (n=15); (3)useable frequency range from DC to 30MHz; (4)easily expandable.
Diagrams

| Image | Part No | Mfg | Description | ![]() |
Pricing (USD) |
Quantity | ||||||||||||
|---|---|---|---|---|---|---|---|---|---|---|---|---|---|---|---|---|---|---|
![]() |
![]() SN74LS294N |
![]() Texas Instruments |
![]() Multipliers / Dividers Programmable Freq Divider/Dig Timer |
![]() Data Sheet |
![]()
|
|
||||||||||||
![]() |
![]() SN74LS294NE4 |
![]() Texas Instruments |
![]() Multipliers / Dividers Programmable Freq Divider/Dig Timer |
![]() Data Sheet |
![]()
|
|
||||||||||||
(China (Mainland))









