Product Summary
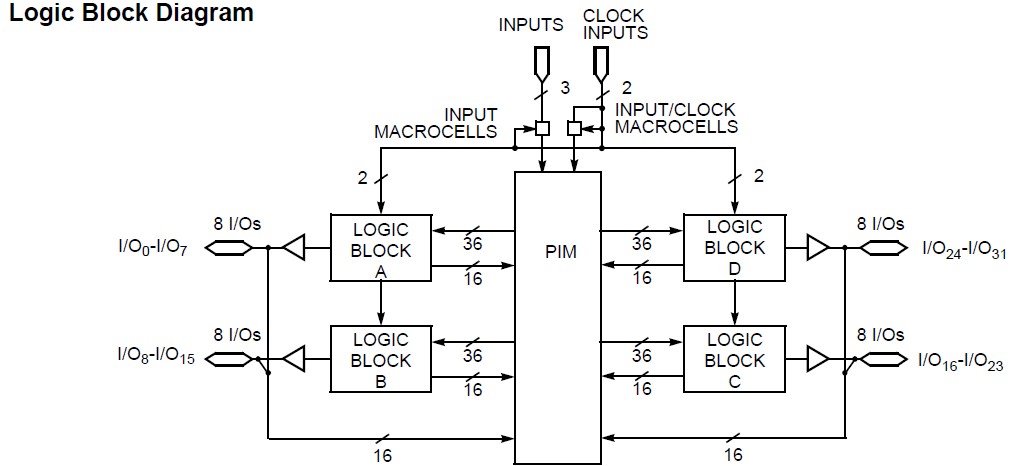
The CY7C372 is an In-System Reprogrammable Complex Programmable Logic Device (CPLD) and is part of the FLASH370i. family of high-density, high-speed CPLDs. Like all members of the FLASH370i family, the CY7C372 is designed to bring the ease of use and high performance of the 22V10, as well as PCI Local Bus Specification support, to high-density CPLDs. Like all of the UltraLogic. FLASH370i devices, the CY7C372 is electrically erasable and ISR, which simplifies both design and manufacturing flows, thereby reducing costs. The Cypress ISR function is implemented through a JTAG serial interface.
Parametrics
CY7C372 absolute maximum ratings: (1)Storage Temperature: –65℃ to +150℃; (2)Ambient Temperature with Power Applied: –55℃ to +125℃; (3)Supply Voltage to Ground Potential: –0.5V to +7.0V; (4)DC Voltage Applied to Outputs in High-Z State: –0.5V to +7.0V; (5)DC Input Voltage: –0.5V to +7.0V; (6)DC Program Voltage: 12.5V; (7)Output Current into Outputs: 16 mA; (8)Static Discharge Voltage> 2001V; (9)Latch-up Current> 200 mA.
Features
CY7C372 features: (1)64 macrocells in four logic blocks; (2)32 I/O pins; (3)Five dedicated inputs including two clock pins; (4)In-System Reprogrammable (ISR Flash technology; (5)JTAG interface; (6)Bus Hold capabilities on all I/Os and dedicated inputs; (7)No hidden delays; (8)High speed; (9)Fully PCI compliant; (10)3.3V or 5.0V I/O operation; (11)Available in 44-pin PLCC, TQFP, and CLCC packages.
Diagrams

| Image | Part No | Mfg | Description | ![]() |
Pricing (USD) |
Quantity | ||||
|---|---|---|---|---|---|---|---|---|---|---|
![]() |
![]() CY7C372 |
![]() Other |
![]() |
![]() Data Sheet |
![]() Negotiable |
|
||||
![]() |
![]() CY7C372i |
![]() Other |
![]() |
![]() Data Sheet |
![]() Negotiable |
|
||||
(China (Mainland))









