Product Summary
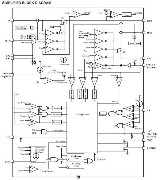
The BQ24010DRCRG4 is an integrated Li-ion linear charger and system power path management device targeted at space-limited portable applications. The BQ24010DRCRG4 operates from either a USB port or AC adapter and support charge currents up to 1.5A. The input voltage range with input overvoltage protection supports unregulated adapters. The USB input current limit accuracy and start up sequence allow the BQ24010DRCRG4 to meet USB-IF inrush current specification. Additionally, the input dynamic power management (V IN -DPM) prevents the charger from crashing incorrectly configured USB sources. The applications of the BQ24010DRCRG4 include Smart Phones, Portable Media Players, Portable Navigation Devices and Low-Power Handheld Devices.
Parametrics
BQ24010DRCRG4 absolute maximum ratings: (1)VI, Input Voltage: -0.3 to 28V at IN (with respect to VSS); -0.3 to 5V at BAT (with respect to VSS); -0.3 to 7V at OUT, EN1, EN2, CE , TS, ISET, PGOOD , CHG , ILIM, TMR, ITERM, SYSOFF, TD (with respect to VSS); (2)II, Input Current: 1.6 A; (3)IO, Output Current (Continuous): OUT 5 ; BAT (Discharge mode) 5 A; BAT (Charging mode) 1.5A; (4)Output Sink Current: 15 mA; (5)TJ, Junction temperature: –40 to 150℃; (6)Tstg, Storage temperature: –65 to 150℃.
Features
BQ24010DRCRG4 features: (1)Fully Compliant USB Charger: Selectable 100mA and 500mA Maximum Input Current; 100mA Maximum Current Limit Ensures Compliance to USB-IF Standard; Input based Dynamic Power Management (V IN -DPM) for Protection Against Poor USB Sources; (2)28V Input Rating with Overvoltage Protection; (3)Integrated Dynamic Power Path Management (DPPM) Function Simultaneously and Independently Powers the System and Charges the Battery; (4)Supports up to 1.5A Charge Current with Current Monitoring Output (ISET) Programmable Input Current Limit up to 1.5A for Wall Adapters; (5)Programmable Pre-Charge and Fast-Charge Safety Timers; (6)Reverse Current, Short-Circuit and Thermal Protection; (7)NTC Thermistor Input; (8)Proprietary Start Up Sequence Limits Inrush Current; (9)Status Indication – Charging/Done, Power Good; (10)Small 3 mm × 3 mm 16 Lead QFN Package.
Diagrams

| Image | Part No | Mfg | Description | ![]() |
Pricing (USD) |
Quantity | ||||||||||||
|---|---|---|---|---|---|---|---|---|---|---|---|---|---|---|---|---|---|---|
![]() |
![]() BQ24010DRCRG4 |
![]() Texas Instruments |
![]() Battery Management Linear 1-cell Li-Ion Charger |
![]() Data Sheet |
![]()
|
|
||||||||||||
| Image | Part No | Mfg | Description | ![]() |
Pricing (USD) |
Quantity | ||||||||||||
![]() |
![]() bq24001 |
![]() Other |
![]() |
![]() Data Sheet |
![]() Negotiable |
|
||||||||||||
![]() |
![]() BQ24001EVM |
![]() Texas Instruments |
![]() Power Management IC Development Tools BQ24001 Eval Mod |
![]() Data Sheet |
![]() Negotiable |
|
||||||||||||
![]() |
![]() BQ24001PWP |
![]() Texas Instruments |
![]() Battery Management Li-Ion Linear Charge Management IC |
![]() Data Sheet |
![]()
|
|
||||||||||||
![]() |
![]() BQ24001PWPG4 |
![]() Texas Instruments |
![]() Battery Management Li-Ion Linear Charge Management IC |
![]() Data Sheet |
![]()
|
|
||||||||||||
![]() |
![]() BQ24001PWPR |
![]() Texas Instruments |
![]() Battery Management Li-Ion Linear Charge Management IC |
![]() Data Sheet |
![]()
|
|
||||||||||||
![]() |
![]() BQ24001PWPRG4 |
![]() Texas Instruments |
![]() Battery Management Li-Ion Linear Charge Management IC |
![]() Data Sheet |
![]()
|
|
||||||||||||
(China (Mainland))











