Product Summary
The BD8224EFV-E2 is a Power Driver for Compact disc player.
Parametrics
BD8224EFV-E2 absolute maximum ratings: (1)Power supply voltage PowVcc 1,PowVcc 2: 15 V; (2)Reset detection terminal RSTDET: PowVcc 2 V; (3)Input terminal IN1,2-1,2-2,3,4: PowVcc 2 V; (4)CNT terminal CNT: PowVcc 2 V; (5)MUTE terminal MUTE: PowVcc 2 V; (6)Power dissipation Pd: 1.1 W; (7)Operating temperature range Topr: -40~+85 ℃; (8)Storage temperature Tstg: -55~+150 ℃; (9)Junction temperature Tjmax: +150 ℃.
Features
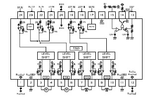
BD8224EFV-E2 features: (1)4CH BTL Driver; (2)Employs the HTSSOP-B24PIN power package for compaction; (3)Has a wide dynamic range.(PowVcc1=8V, RL=8Ω, CH1,2 => 6.0V(typ.)); (4)The thermal shutdown circuit contained; (5)Switches CH2 input by Control input terminal(CNT); (6)Incorporates mute function by CNT terminal and MUTE terminal.
Diagrams

![]() |
![]() BD8201FM |
![]() Other |
![]() |
![]() Data Sheet |
![]() Negotiable |
|
||||||||||||
![]() |
![]() BD8201FM-E2 |
![]() ROHM Semiconductor |
![]() Motor / Motion / Ignition Controllers & Drivers POWER DRIVER 28PIN |
![]() Data Sheet |
![]()
|
|
||||||||||||
![]() |
![]() BD82103GWL-E2 |
![]() ROHM Semiconductor |
![]() LED Lighting Drivers 2/3 LEDs 2.7-5.5V 4.7V MaxOut 60mA Out |
![]() Data Sheet |
![]()
|
|
||||||||||||
![]() |
![]() BD8210EFV-E2 |
![]() |
![]() IC MOTOR DVR 6CH/7CH HTSSOP-B54 |
![]() Data Sheet |
![]()
|
|
||||||||||||
![]() |
![]() BD825 |
![]() Other |
![]() |
![]() Data Sheet |
![]() Negotiable |
|
||||||||||||
![]() |
![]() BD829 |
![]() Other |
![]() |
![]() Data Sheet |
![]() Negotiable |
|
||||||||||||
(China (Mainland))









