Product Summary
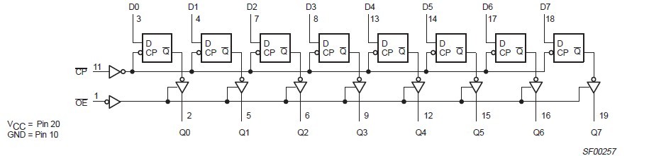
The 74F374D is an octal transparent latch coupled to eight 3-State output devices. The two sections of the device are controlled independently by enable (E) and output enable (OE) control gates. The data on the D inputs is transferred to the latch outputs when the enable (E) input is HIGH. The latch remains transparent to the data input while E is HIGH, and stores the data that is present one set-up time before the HIGH-to-LOW enable transition.
Parametrics
74F374D absolute maxing ratings: (1)VCC Supply voltage: –0.5 to +7.0 V; (2)VIN Input voltage: –0.5 to +7.0 V; (3)IIN Input current: –30 to +5 mA; (4)VOUT Voltage applied to output in HIGH output state: –0.5 to VCC V; (5)IOUT Current applied to output in LOW output state: 48 mA; (6)Tamb Operating free air temperature range: 0 to +70 ℃; (7)Tstg Storage temperature range: –65 to +150 ℃.
Features
74F374D features: (1)8-bit transparent latch ?74F373; (2)8-bit positive edge triggered register ?74F374; (3)3-State outputs glitch free during power-up and power-down; (4)Common 3-State output register; (5)Independent register and 3-State buffer operation; (6)SSOP Type II Package.
Diagrams

![]() |
![]() 74F30 |
![]() Other |
![]() |
![]() Data Sheet |
![]() Negotiable |
|
||||
![]() |
![]() 74F30244 |
![]() Other |
![]() |
![]() Data Sheet |
![]() Negotiable |
|
||||
![]() |
![]() 74F3037 |
![]() Other |
![]() |
![]() Data Sheet |
![]() Negotiable |
|
||||
![]() |
![]() 74F3038 |
![]() Other |
![]() |
![]() Data Sheet |
![]() Negotiable |
|
||||
![]() |
![]() 74F3040 |
![]() Other |
![]() |
![]() Data Sheet |
![]() Negotiable |
|
||||
![]() |
![]() 74F30PC |
![]() |
![]() IC GATE NAND 8 INPUT 14-DIP |
![]() Data Sheet |
![]() Negotiable |
|
||||
(China (Mainland))









