Product Summary
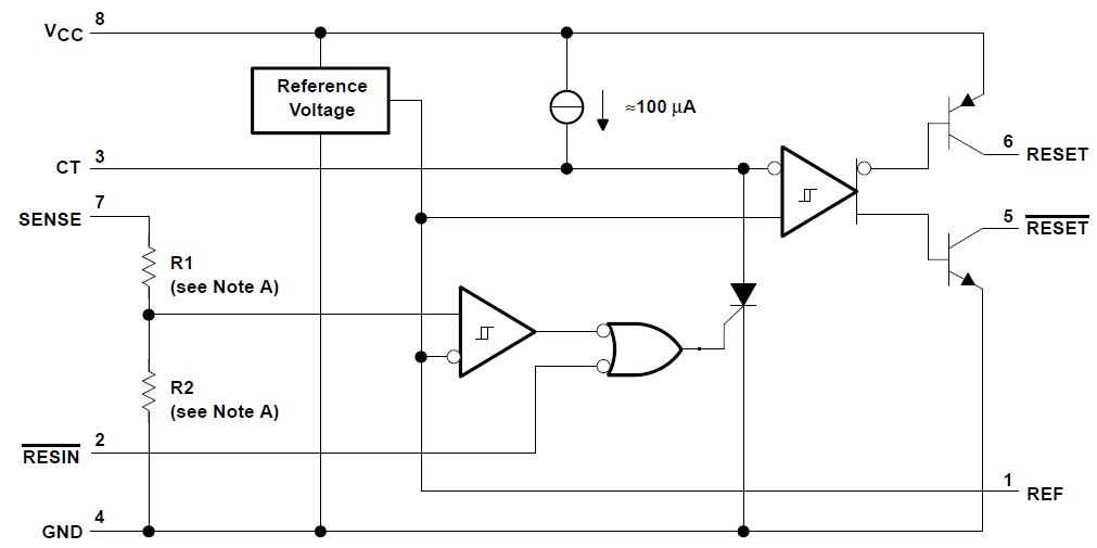
The TL7705ACDR is a supply-voltage supervisor. It is designed specifically for use as reset controllers in microcomputer and microprocessor systems. The supply-voltage supervisor monitors of the TL7705ACDR the supply for undervoltage conditions at the SENSE input. During power up, the RESET output becomes active (low) when VCC attains a value approaching 3.6 V. To ensure that a complete reset occurs, the reset outputs of the TL7705ACDR remain active for a time delay after the voltage at the SENSE input exceeds the positive-going threshold value.
Parametrics
TL7705ACDR absolute maximum ratings: (1)Supply voltage, VCC: 20 V; (2)Input voltage range, VI, RESIN: –0.3 V to 20 V; (3)Input voltage range, VI, SENSE: –0.3 V to 20 V; (4)High-level output current, IOH, RESET: –30 mA; (5)Low-level output current, IOL, RESET: 30 mA; (6)Package thermal impedance, θJA: D package: 97℃/W, P package: 85℃/W, PS package: 95℃/W; (7)Operating virtual junction temperature, TJ: 150℃; (8)Lead temperature 1,6 mm (1/16 inch) from case for 10 seconds: 260℃; (9)Storage temperature range, Tstg: –65℃ to 150℃.
Features
TL7705ACDR features: (1)Power-On Reset Generator; (2)Automatic Reset Generation After Voltage Drop; (3)Wide Supply-Voltage Range; (4)Precision Voltage Sensor; (5)Temperature-Compensated Voltage Reference; (6)True and Complement Reset Outputs; (7)Externally Adjustable Pulse Duration.
Diagrams

| Image | Part No | Mfg | Description | ![]() |
Pricing (USD) |
Quantity | ||||||||||||
|---|---|---|---|---|---|---|---|---|---|---|---|---|---|---|---|---|---|---|
![]() |
![]() TL7705ACDR |
![]() Texas Instruments |
![]() Supervisory Circuits 4.55V Monitor |
![]() Data Sheet |
![]()
|
|
||||||||||||
![]() |
![]() TL7705ACDRE4 |
![]() Texas Instruments |
![]() Supervisory Circuits Sngl SVS f/5V System w/Prg Time Delay |
![]() Data Sheet |
![]()
|
|
||||||||||||
![]() |
![]() TL7705ACDRG4 |
![]() Texas Instruments |
![]() Supervisory Circuits Sngl SVS f/5V System w/Prg Time Delay |
![]() Data Sheet |
![]()
|
|
||||||||||||
(China (Mainland))









