Product Summary
The SN75452BD is a dual peripheral driver. It is designed for use in systems that employ TTL logic. The SN75452BD is functionally interchangeable with and replaces the SN75450 family and the SN75450A family devices manufactured previously. The typical applications of the SN75452BD include high-speed logic buffers, power drivers, relay drivers, lamp drivers, MOS drivers, line drivers, and memory drivers.
Parametrics
SN75452BD absolute maximum ratings: (1)Supply voltage:7V; (2)Input voltage:5.5V; (3)Inter-emitter voltage:5.5V; (4)Off-state output voltage:30V; (5)Continuous collector or output current:400mA; (6)Peak collector or output current:500mA; (7)Operating free-air temperature range:0℃ to 70℃; (8)Storage temperature range:-65℃ to 150℃; (9)Lead temperature 1,6 mm (1/16 inch) from case for 60 seconds:260℃.
Features
SN75452BD features: (1)Characterized for Use to 300 mA; (2)High-Voltage Outputs; (3)No Output Latch-Up at 20 V (After Conducting 300 mA); (4)High-Speed Switching; (5)Circuit Flexibility for Varied Applications; (6)TTL-Compatible Diode-Clamped Inputs; (7)Standard Supply Voltages; (8)Plastic DIP (P) With Copper Lead Frame Provides Cooler Operation and Improved Reliability; (9)Package Options Include Plastic Small-Outline Packages, Ceramic Chip Carriers, and Standard Plastic and Ceramic 300-mil DIPs.
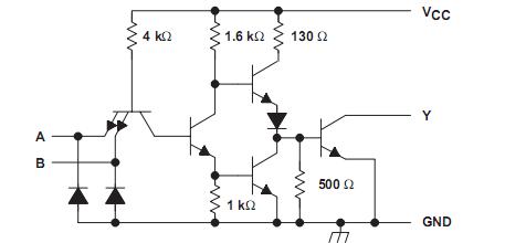
Diagrams

| Image | Part No | Mfg | Description | ![]() |
Pricing (USD) |
Quantity | ||||||||||||
|---|---|---|---|---|---|---|---|---|---|---|---|---|---|---|---|---|---|---|
![]() |
![]() SN75452BD |
![]() Texas Instruments |
![]() Peripheral Drivers & Components (PCIs) Dual HS HA Perp |
![]() Data Sheet |
![]()
|
|
||||||||||||
![]() |
![]() SN75452BDE4 |
![]() Texas Instruments |
![]() Peripheral Drivers & Components (PCIs) Dual HS HA Perp |
![]() Data Sheet |
![]()
|
|
||||||||||||
![]() |
![]() SN75452BDRG4 |
![]() Texas Instruments |
![]() Peripheral Drivers & Components (PCIs) Dual Hi Current Peripheral Drivers |
![]() Data Sheet |
![]()
|
|
||||||||||||
![]() |
![]() SN75452BDRE4 |
![]() Texas Instruments |
![]() Peripheral Drivers & Components (PCIs) Dual Hi Current Peripheral Drivers |
![]() Data Sheet |
![]()
|
|
||||||||||||
![]() |
![]() SN75452BDR |
![]() Texas Instruments |
![]() Peripheral Drivers & Components (PCIs) Dual Hi Current Peripheral Drivers |
![]() Data Sheet |
![]()
|
|
||||||||||||
![]() |
![]() SN75452BDG4 |
![]() Texas Instruments |
![]() Peripheral Drivers & Components (PCIs) Dual Hi Current Peripheral Drivers |
![]() Data Sheet |
![]()
|
|
||||||||||||
(China (Mainland))









