Product Summary
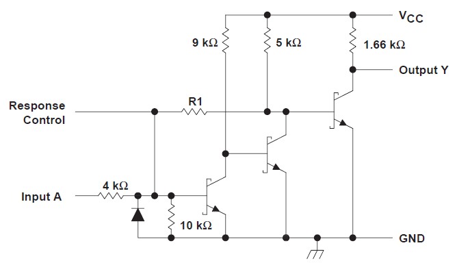
The SN75189N is a quadruple line receiver. It is designed to satisfy the requirements of the standard interface between data-terminal equipment and data-communication equipment as defined by TIA/EIA-232-F. A separate response-control (CONT) terminal of the SN75189N is provided for each receiver. A resistor or a resistor and bias-voltage source can be connected between this terminal and ground to shift the input threshold levels. The SN75189N is characterized for operation from 0℃ to 70℃.
Parametrics
SN75189N absolute maximum ratings: (1)Supply voltage, VCC: 10 V; (2)Input voltage, VI: ±30 V; (3)Output voltage, IO: 20 mA; (4)Operating free-air temperature range, TA: 0℃ to 70℃; (5)Storage temperature range, Tstg: –65℃ to 150℃; (6)Case temperature for 60 seconds, FK package: 260℃; (7)Lead temperature 1,6 mm (1/16 inch) from case for 60 seconds: J or W package: 300℃; (8)Lead temperature 1,6 mm (1/16 inch) from case for 10 seconds: D, N, or NS package: 260℃.
Features
SN75189N features: (1)Input Resistance: 3 kΩ to 7 kΩ; (2)Input Signal Range: ±30 V; (3)Operate From Single 5-V Supply; (4)Built-In Input Hysteresis (Double Thresholds); (5)Response Control that Provides: Input Threshold Shifting, Input Noise Filtering; (6)Meet or Exceed the Requirements of TIA/EIA-232-F and ITU Recommendation V.28; (7)Fully Interchangeable With Motorola MC1489 and MC1489A.
Diagrams

| Image | Part No | Mfg | Description | ![]() |
Pricing (USD) |
Quantity | ||||||||||||
|---|---|---|---|---|---|---|---|---|---|---|---|---|---|---|---|---|---|---|
![]() |
![]() SN75189N |
![]() Texas Instruments |
![]() Buffers & Line Drivers Quad Line |
![]() Data Sheet |
![]()
|
|
||||||||||||
![]() |
![]() SN75189NE4 |
![]() Texas Instruments |
![]() Bus Receivers Quadruple Line Receiver |
![]() Data Sheet |
![]()
|
|
||||||||||||
![]() |
![]() SN75189NSRG4 |
![]() Texas Instruments |
![]() RS-232 Interface IC Quad Line Driver |
![]() Data Sheet |
![]()
|
|
||||||||||||
![]() |
![]() SN75189NSR |
![]() Texas Instruments |
![]() Bus Receivers Quadruple Line Receiver |
![]() Data Sheet |
![]()
|
|
||||||||||||
![]() |
![]() SN75189NSRE4 |
![]() Texas Instruments |
![]() Bus Receivers Quadruple Line Receiver |
![]() Data Sheet |
![]()
|
|
||||||||||||
(China (Mainland))









