Product Summary
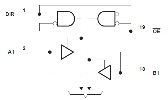
The SN74LVTH245APWRG4 is an octal bus transceiver. It is designed specifically for low-voltage (3.3-V) VCC operation, but with the capability to provide a TTL interface to a 5-V system environment. The SN74LVTH245APWRG4 is designed for asynchronous communication between data buses. The SN74LVTH245APWRG4 transmits data from the A bus to the B bus or from the B bus to the A bus, depending on the logic level at the direction-control (DIR) input. The output-enable (OE) input can be used to disable the devices so the buses are effectively isolated.
Parametrics
SN74LVTH245APWRG4 absolute maximum ratings: (1)Supply voltage range, VCC: -0.5 V to 4.6 V; (2)Input voltage range, VI: -0.5 V to 7 V; (3)Voltage range applied to any output in the high-impedance or power-off state, VO: -0.5 V to 7 V; (4)Voltage range applied to any output in the high state, VO: -0.5 V to VCC + 0.5 V; (5)Current into any output in the low state, IO: 128 mA; (6)Current into any output in the high state, IO: 64 mA; (7)Input clamp current, IIK (VI < 0): -50 mA; (8)Output clamp current, IOK (VO < 0): -50 mA; (9)Storage temperature range, Tstg: -65℃ to 150℃.
Features
SN74LVTH245APWRG4 features: (1)Support Mixed-Mode Signal Operation (5-V Input and Output Voltages With 3.3-V VCC); (2)Typical VOLP (Output Ground Bounce) <0.8 V at VCC = 3.3 V, TA = 25℃; (3)Support Unregulated Battery Operation Down to 2.7 V; (4)Ioff and Power-Up 3-State Support Hot Insertion; (5)Bus Hold on Data Inputs Eliminates the Need for External Pullup/Pulldown Resistors; (6)Latch-Up Performance Exceeds 500 mA Per JESD 17; (7)ESD Protection Exceeds JESD 22: 2000-V Human-Body Model (A114-A), 200-V Machine Model (A115-A).
Diagrams

| Image | Part No | Mfg | Description | ![]() |
Pricing (USD) |
Quantity | ||||||||||||
|---|---|---|---|---|---|---|---|---|---|---|---|---|---|---|---|---|---|---|
![]() |
![]() SN74LVTH245APWRG4 |
![]() Texas Instruments |
![]() Bus Transceivers 24-Bit Dual Supply Bus Xcvr |
![]() Data Sheet |
![]()
|
|
||||||||||||
| Image | Part No | Mfg | Description | ![]() |
Pricing (USD) |
Quantity | ||||||||||||
![]() |
![]() SN7400 |
![]() Other |
![]() |
![]() Data Sheet |
![]() Negotiable |
|
||||||||||||
![]() |
![]() SN7400D |
![]() Texas Instruments |
![]() Gates (AND / NAND / OR / NOR) Quad 2-input Positive-NAND gates |
![]() Data Sheet |
![]()
|
|
||||||||||||
![]() |
![]() SN7400DE4 |
![]() Texas Instruments |
![]() Gates (AND / NAND / OR / NOR) Quad 2-input Positive-NAND gates |
![]() Data Sheet |
![]()
|
|
||||||||||||
![]() |
![]() SN7400DG4 |
![]() Texas Instruments |
![]() Gates (AND / NAND / OR / NOR) Quad 2-input Pos- NAND |
![]() Data Sheet |
![]()
|
|
||||||||||||
![]() |
![]() SN7400DR |
![]() |
![]() IC QUAD 2IN POS-NAND GATE 14SOIC |
![]() Data Sheet |
![]() Negotiable |
|
||||||||||||
![]() |
![]() SN7400DRE4 |
![]() |
![]() IC QUAD 2IN POS-NAND GATE 14SOIC |
![]() Data Sheet |
![]() Negotiable |
|
||||||||||||
(China (Mainland))










