Product Summary
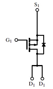
The SI9947DY-T1 is a Dual P-Channel Enhancement-Mode MOSFET.
Parametrics
SI9947DY-T1 absolute maxing ratings: (1)Drain-Source Voltage VDS: -20 V; (2)Gate-Source Voltage VGS: ±20 V; (3)Continuous Drain Current (TJ = 150℃) TA = 25℃ ID: ±3.5 A; (4)Pulsed Drain Current IDM: ±10 A; (5)Continuous Source Current (Diode Conduction) IS: -1.7 A; (6)Maximum Power Dissipation TA = 25℃ PD: 2.0 W; (7)Operating Junction and Storage Temperature Range TJ, Tstg: –55 to 150 ℃.
Features
SI9947DY-T1 specifications: (1)Gate Threshold Voltage VGS(th): -1.0 V; (2)Gate-Body Leakage IGSS: ±100 nA; (3)Zero Gate Voltage Drain Current IDSS: -1 μA; (4)On-State Drain Current ID(on): -14 A; (6)Drain-Source On-State Resistance rDS(on): 0.10 Ω; (7)Forward Transconductance gfs: 4.0 S; (8)Diode Forward Voltage VSD: -0.9 to -1.2 V.
Diagrams

![]() |
![]() Si9910 |
![]() Other |
![]() |
![]() Data Sheet |
![]() Negotiable |
|
||||||||||||
![]() |
![]() SI9910DJ |
![]() Vishay/Siliconix |
![]() Power Driver ICs MOSFET Driver |
![]() Data Sheet |
![]()
|
|
||||||||||||
![]() |
![]() SI9910DJ-E3 |
![]() Vishay/Siliconix |
![]() Power Driver ICs MOSFET Driver |
![]() Data Sheet |
![]()
|
|
||||||||||||
![]() |
![]() SI9910DY |
![]() Vishay/Siliconix |
![]() Power Driver ICs MOSFET Driver |
![]() Data Sheet |
![]()
|
|
||||||||||||
![]() |
![]() Si9910DY-E1-E3 |
![]() Other |
![]() |
![]() Data Sheet |
![]() Negotiable |
|
||||||||||||
![]() |
![]() SI9910DY-E3 |
![]() Vishay/Siliconix |
![]() Power Driver ICs DRVR 1A Sngl. Non-Inv Hi Side |
![]() Data Sheet |
![]()
|
|
||||||||||||
(China (Mainland))









