Product Summary
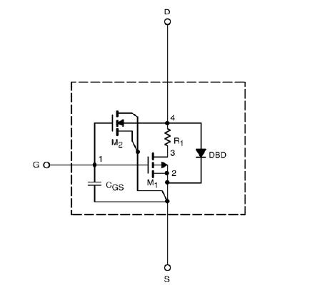
The SI9430DY-T1 is a P-Channel 30-V (D-S) MOSFET. The attached spice model describes the typical electrical characteristics of the p-channel vertical DMOS. The subcircuit model is extracted and optimized over the -55℃ to 125℃ temperature ranges under the pulsed 0V to 5V gate drive. The saturated output impedance is best fit at the gate bias near the threshold voltage.
Parametrics
SI9430DY-T1 specifications: (1) Gate Threshold Voltage: 2.2V; (2) On-State Drain Current: 117A; (3) Drain-Source On-State Resistance: 0.033Ω; (4) Forward Transconductance: 9.3S; (5) Diode Forward Voltage: -0.76V.
Features
SI9430DY-T1 features: (1)P-Channel Vertical DMOS; (2)Macro Model (Subcircuit Model); (3)Level 3 MOS; (4)Apply for both Linear and Switching Application; (5)Accurate over the -55℃ to 125℃ Temperature Range; (6)Model the Gate Charge, Transient, and Diode Reverse Recovery Characteristics.
Diagrams

![]() |
![]() SI9400DY |
![]() Vishay/Siliconix |
![]() MOSFET 20V 2.5A 2.5W |
![]() Data Sheet |
![]() Negotiable |
|
||||||||
![]() |
![]() SI9407AEY-E3 |
![]() Vishay/Siliconix |
![]() MOSFET 60V 3.5A 3W |
![]() Data Sheet |
![]() Negotiable |
|
||||||||
![]() |
![]() SI9407AEY-T1 |
![]() Vishay/Siliconix |
![]() MOSFET 60V 3.5A 3W |
![]() Data Sheet |
![]() Negotiable |
|
||||||||
![]() |
![]() SI9407AEY-T1-E3 |
![]() Vishay/Siliconix |
![]() MOSFET 60V 3.5A 3W |
![]() Data Sheet |
![]() Negotiable |
|
||||||||
![]() |
![]() Si9407BDY |
![]() Other |
![]() |
![]() Data Sheet |
![]() Negotiable |
|
||||||||
![]() |
![]() SI9407BDY-T1-E3 |
![]() Vishay/Siliconix |
![]() MOSFET 60V 4.7A 5.0W 120mohm @ 10V |
![]() Data Sheet |
![]()
|
|
||||||||
(China (Mainland))









