Product Summary
The SI6433DQ-T1-E3 is a 20V P-Channel PowerTrench MOSFET. It is produced using Fairchild Semiconductor’s advanced PowerTrench process that has been especially tailored to minimize the on-state resistance and yet maintain low gate charge for superior switching performance. The SI6433DQ-T1-E3 is used in Power management, Load switch.
Parametrics
SI6433DQ-T1-E3 absolute maximum ratings: (1)VDSS Drain–Source Voltage: –20 V; (2)VGSS Gate-Source Voltage: ±8 V; (3)ID Drain Current – Continuous: –4.5 A, Pulsed: –40 A; (4)PD Power Dissipation for Single Operation: 1.3 W; (5)TJ, TSTG Operating and Storage Junction Temperature Range: –55 to +150 ℃.
Features
SI6433DQ-T1-E3 features: (1)-4.5 A, -20 V. RDS(ON) = 47 mΩ@ VGS = -4.5 V, RDS(ON) = 65 mΩ@ VGS = -2.5 V, RDS(ON) = 100 mΩ@ VGS = -1.8 V; (2)RDS(ON) rated for use with 1.8 V logic; (3)Low gate charge (13nC typical); (4)High performance trench technology for extremely low RDS(ON); (5)Low profile TSSOP-8 package.
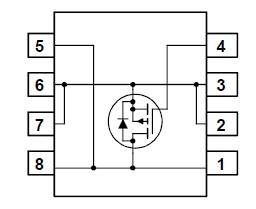
Diagrams

![]() |
![]() Si6404DQ |
![]() Other |
![]() |
![]() Data Sheet |
![]() Negotiable |
|
||||
![]() |
![]() SI6404DQ-T1 |
![]() Vishay/Siliconix |
![]() MOSFET 30V 11A 1.75W |
![]() Data Sheet |
![]() Negotiable |
|
||||
![]() |
![]() SI6404DQ-T1-E3 |
![]() Vishay/Siliconix |
![]() MOSFET 30V 11A 1.75W |
![]() Data Sheet |
![]() Negotiable |
|
||||
![]() |
![]() SI6404DQ-T1-GE3 |
![]() Vishay/Siliconix |
![]() MOSFET 30V 11A 1.75W 9.0mohm @ 10V |
![]() Data Sheet |
![]() Negotiable |
|
||||
![]() |
![]() Si6405DQ |
![]() Other |
![]() |
![]() Data Sheet |
![]() Negotiable |
|
||||
![]() |
![]() SI6410DQ |
![]() Fairchild Semiconductor |
![]() MOSFET 30V/20V NCh MOSFET |
![]() Data Sheet |
![]() Negotiable |
|
||||
(China (Mainland))









