Product Summary
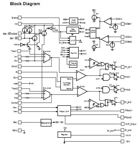
The IR3623M is an IC integrating a dual synchronous Buck controller, along with IP2003A it is providing a high performance and flexible solution. The IR3623M can be configured as 2-independent outputs or as current share single output. The current share configuration is ideal for high current applications. The IR3623M is suitable for Embedded Telecom Systems, Distributed Point of Load Power Architectures, Computing Peripheral Voltage Regulator, Graphics Card and General DC/DC Converters.
Parametrics
IR3623M absolute maximum ratings: (1)Vcc Supply Voltage: -0.5V to 16V; (2)PWM1, PWM2: -0.5V to 16V; (3)PGood: -0.5V to 16V; (4)Gnd to SGnd: +/- 0.3V; (5)Storage Temperature Range: -65 to 150℃; (6)Operating Junction Temperature Range: -40 to 125℃; (7)ESD Classification: JEDEC, JESD22-A114.
Features
IR3623M features: (1)Dual Synchronous Controller with 180o Out of Phase Operation; (2)Configurable to 2-Independent Outputs or Current Share Single Output; (3)Output Voltage Tracking; (4)Power up /down Sequencing; (5)Current Sharing Using Inductor’s DCR; (6)+/-1% Accurate Reference Voltage; (7)Programmable Switching Frequency up 1200kHz; (8)Programmable Over Current Protection; (9)Hiccup Current Limit Using MOSFET RDS(on) sensing; (10)Latched Overvoltage Protection; (11)Dual Programmable Soft-Starts; (12)Enable; (13)Pre-Bias Start-up; (14)Dual Power Good Outputs; (15)On Board Regulator; (16)External Frequency Synchronization; (17)Thermal Protection; (18)32-Lead MLPQ Package.
Diagrams

| Image | Part No | Mfg | Description | ![]() |
Pricing (USD) |
Quantity | ||||||||
|---|---|---|---|---|---|---|---|---|---|---|---|---|---|---|
![]() |
![]() IR3623MPBF |
![]() |
![]() IC REG CTRLR BUCK PWM VM 32MLPQ |
![]() Data Sheet |
![]()
|
|
||||||||
![]() |
![]() IR3623MTRPBF |
![]() International Rectifier |
![]() Switching Converters, Regulators & Controllers |
![]() Data Sheet |
![]()
|
|
||||||||
(China (Mainland))










