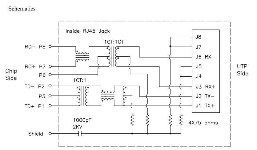
Product Summary
The HR901102A is a single port RJ45 connector with integrated magnetics for 10/100 base TX NIC applications.
Parametrics
HR901102A absolute maximum ratings: (1)isolation: 1500Vrms; (2)OCL: 350μH minimum at 100KHz 100mV with 8mADC; (3)insertion loss: 1.0dB maximum at 300KHz to 100MHz; 16dB minimum at 10MHz to 30MHz; 12dB minimum at 30MHz to 60MHz; 10dB minimum at 30MHz to 80MHz; (4)common mode rejection: 3030dB minimum at 1MHz to 50MHz; 20dB minimum at 50MHz to 150MHz; (5)crostalk: 40dB minimum at 1MHz to 30MHz; 35dB minimum at 30MHz to 60MHz; 30dB minimum at 60MHz to 100MHz.
Features
HR901102A features: (1)designed for network interface card application; (2)meets or exceeds IEEE802.3 standards including 350μH min OCL with 8mA ADC; (3)high performance for EMI suppression, crosstalk, return loss and consitent electrical; (4)minimum 1500Vrms isolation per IEEE802.3 requirement; (5)minimize PCB space and simplify PCB layout; (6)less magnetic components to place on PCB, higher reliability and yields.
Diagrams

(China (Mainland))






