Product Summary
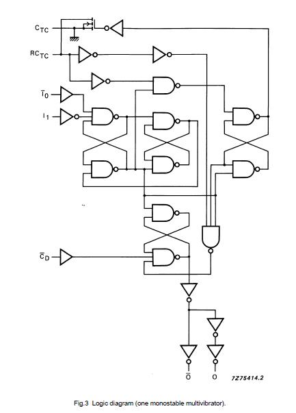
The HEF4528BT is a dual retriggerable-resettable monostable multivibrator. Each multivibrator has an active LOW input (I0), and active HIGH input (I1), an active LOW clear direct input (CD), an output (O) and its complement (O), and two pins for connecting the external timing components (CTC (1), RCTC). The applications of the HEF4528BT include Industrial.
Parametrics
HEF4528BT absolute maximum ratings: (1)supply voltage: -0.5 to +18 V; (2)input clamping current: ±10 mA at VI < -0.5 V or VI > VDD + 0.5 V; (3)input voltage: -0.5 VDD + 0.5 V; (4)output clamping current: ±10 mA at VI < -0.5 V or VI > VDD + 0.5 V; (5)input/output current: ±10 mA; (6)supply current: 50 mA; (7)storage temperature: -65 to +150 ℃; (8)ambient temperature: -40 to +85 ℃; (9)total power dissipation Tamb = -40 ℃ to +85 ℃: DIP16 package: 750 mW, SO16 package: 500 mW; (10)power dissipation per output: 100 mW.
Features
HEF4528BT features: (1)Fully static operation; (2)5 V, 10 V, and 15 V parametric ratings; (3)Standardized symmetrical output characteristics; (4)Operates across the automotive temperature range -40 ℃ to +85 ℃; (5)Complies with JEDEC standard JESD 13-B.
Diagrams

| Image | Part No | Mfg | Description | ![]() |
Pricing (USD) |
Quantity | ||||||||||||
|---|---|---|---|---|---|---|---|---|---|---|---|---|---|---|---|---|---|---|
![]() |
![]() HEF4528BT,652 |
![]() NXP Semiconductors |
![]() Monostable Multivibrator DUAL MONO MULTIVIB |
![]() Data Sheet |
![]()
|
|
||||||||||||
![]() |
![]() HEF4528BT,653 |
![]() NXP Semiconductors |
![]() Monostable Multivibrator DUAL MONOSTABLE MULTIVIBRATOR |
![]() Data Sheet |
![]()
|
|
||||||||||||
![]() |
![]() HEF4528BTD |
![]() NXP Semiconductors |
![]() Monostable Multivibrator DUAL MONO MULTIVIB RETRIG/RESET |
![]() Data Sheet |
![]() Negotiable |
|
||||||||||||
(China (Mainland))









