Product Summary
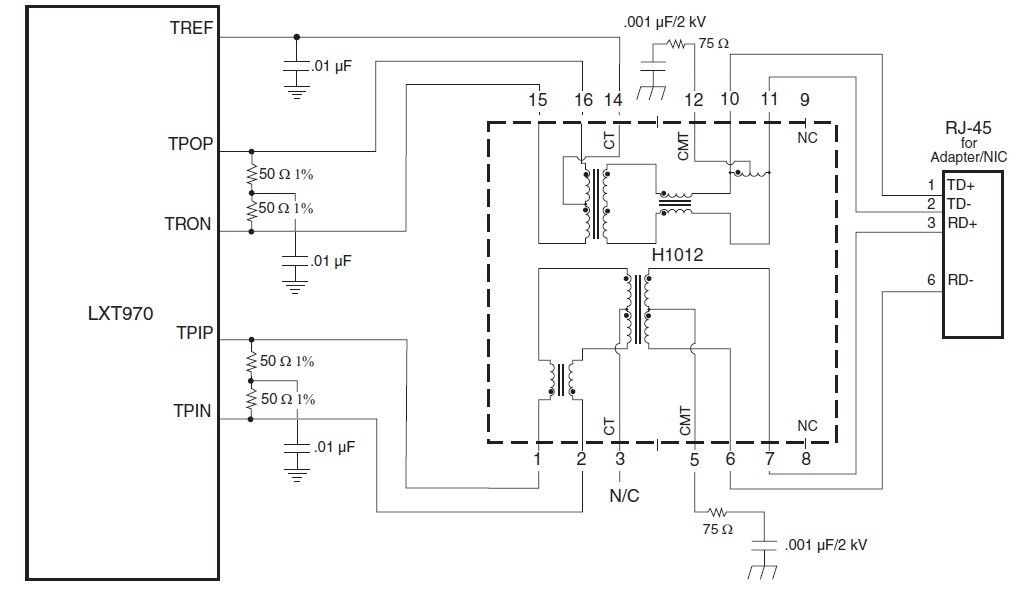
The H1012NL is a 10/100 base-t single port transformer module with 1:1 transmit turns ratios.
Parametrics
H1012NL Specifications: (1)Insertion Loss(dB max) 0.1-100 MHz: -1.0; (2)Return Loss(dB min@100Ω): 1-30 MHz: -20; 40 MHz: -20; 50 MHz: -18; 60-80 MHz: -14; (3)Differential to Common Mode Rejection(dB min): 30 MHz: -42; 60 MHz: -36; 100MHz: -33; (4)Crosstalk(dB TYP): 30 MHz: -50; 60 MHz: -40; 100 MHz: -40; (5)Hipot(Vrms min): 1500.
Features
H1012NL features: (1)RoHS-5 peak reflow temperature rating 235℃; (2)RoHS-6 peak reflow temperature rating 245℃; (3)Compatible with Broadcom, Intel, Micrel, National Semiconductor, ICS, and TDK Transceivers; (4)Meets IEEE 802.3 specification.
Diagrams

| Image | Part No | Mfg | Description | ![]() |
Pricing (USD) |
Quantity | ||||||||||||
|---|---|---|---|---|---|---|---|---|---|---|---|---|---|---|---|---|---|---|
![]() |
![]() H1012NL |
![]() Pulse |
![]() Transformers Audio & Signal 10/100 BASE-T |
![]() Data Sheet |
![]()
|
|
||||||||||||
![]() |
![]() H1012NLT |
![]() Pulse |
![]() Transformers Audio & Signal 10/100 BASE-T MODULE |
![]() Data Sheet |
![]()
|
|
||||||||||||
(China (Mainland))










