Product Summary
The GBU406 is a glass passivated bridge rectifier.
Parametrics
GBU406 absolute maximum ratings: (1)Peak Repetitive Reverse Voltage, VRRM: 600V; (2)Working Peak Reverse Voltage, VRWM: 600V; (3)DC Blocking Voltage, VR: 600V; (4)RMS Reverse Voltage, VR(RMS): 420V; (5)Average Rectified Output Current @ TC = 100℃, IO: 4.0 A; (6)Non-Repetitive Peak Forward Surge Current 8.3mssingle half sine-wave superimposed on rated load (JEDEC Method), IFSM: 150 A; (7)Forward Voltage (per element) @ IF = 2.0A, VFM: 1.0 V; (8)Peak Reverse Current @TC = 25℃, IR: 5.0μA; (9)at Rated DC Blocking Voltage @ TC = 125℃, IR: 50μA; (10)I2t Rating for Fusing, I2t: 93 A2s; (11)Typical Junction Capacitance per Element, CJ: 80 pF; (12)Typical Thermal Resistance Junction to Case, RθJC: 2.2℃/W; (13)Operating and Storage Temperature Range, Tj, TSTG: -55 to +150℃.
Features
GBU406 features: (1)Glass Passivated Die Construction; (2)High Case Dielectric Strength of 1500VRMS; (3)Low Reverse Leakage Current; (4)Surge Overload Rating to 150A Peak; (5)Ideal for Printed Circuit Board Applications; (6)Plastic Material: UL Flammability Classification Rating 94V-0; (7)UL Listed Under Recognized Component Index, File Number E94661.
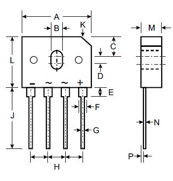
Diagrams

| Image | Part No | Mfg | Description | ![]() |
Pricing (USD) |
Quantity | ||||||||||||
|---|---|---|---|---|---|---|---|---|---|---|---|---|---|---|---|---|---|---|
![]() |
![]() GBU406-G |
![]() |
![]() RECTIFIER BRIDGE 4A 600V GBU |
![]() Data Sheet |
![]()
|
|
||||||||||||
![]() |
![]() GBU406 |
![]() Diodes Inc. |
![]() Bridge Rectifiers 4.0A 600V |
![]() Data Sheet |
![]()
|
|
||||||||||||
(China (Mainland))









