Product Summary
The EFSD1765D is a SAW Duplexer for Cellular Telephone which incorporates highly-precise interdigited electrodes achieves low insertion loss, high selectivity. And unique electrode material achieves high power durability thus the EFSD1765D has wide applications to antenna duplexer circuits for cellular telephones.
Features
EFSD1765D features: (1)Stable against severe conditions of vibration and shock thanks to the unique monolithic construction of the filter; (2)Low insertion loss and excellent selectivity; (3)Contributes to circuit simplification and adjustment free; (4)Saves the hight on PC board.
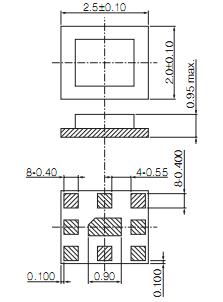
Diagrams

(China (Mainland))






