Product Summary
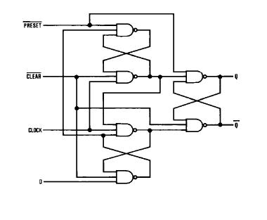
The DM74ALS74AM is a Dual D Positive-Edge-Triggered Flip-Flop. The DM74ALS74AM contains two independent positive edge-triggered flip-flops. Each flip-flop has individual D, clock, clear and preset inputs, and also complementary Q and Q outputs. Information at input D is transferred to the Q output on the positive going edge of the clock pulse. Clock triggering occurs at a voltage level of the clock pulse and is not directly related to the transition time of the positive going pulse. When the clock input is at either the HIGH or LOW level, the D input signal has no effect.
Parametrics
DM74ALS74AM absolute maximum ratings: (1)Supply Voltage: 7V; (2)Input Voltage: 7V; (3)Operating Free Air Temperature Range: 0℃ to +70℃; (4)Storage Temperature Range: -65℃ to +150℃; (5)Typical θJA: N Package 87.0℃/W, M Package 117.0℃/W.
Features
DM74ALS74AM features: (1)Switching specifications at 50 pF; (2)Switching specifications guaranteed over full temperature and VCC range; (3)Advanced oxide-isolated, ion-implanted Schottky TTL process; (4)Functionally and pin-for-pin compatible with Schottky and LS TTL counterpart; (5)Improved AC performance over LS74 at approximately half the power.
Diagrams

| Image | Part No | Mfg | Description | ![]() |
Pricing (USD) |
Quantity | ||||
|---|---|---|---|---|---|---|---|---|---|---|
![]() |
![]() DM74ALS74AM |
![]() Fairchild Semiconductor |
![]() Flip Flops Dual D Flip-Flop |
![]() Data Sheet |
![]() Negotiable |
|
||||
![]() |
![]() DM74ALS74AM_Q |
![]() Fairchild Semiconductor |
![]() Flip Flops Dual D Flip-Flop |
![]() Data Sheet |
![]() Negotiable |
|
||||
![]() |
![]() DM74ALS74AMX |
![]() Fairchild Semiconductor |
![]() Flip Flops Dual D Flip-Flop |
![]() Data Sheet |
![]() Negotiable |
|
||||
(China (Mainland))









