Product Summary
The D45H11 is a general purpose power and switching such as output or driver stages in applications d-pak for surface mount applications.
Parametrics
D45H11 absolute maxing ratings: (1)VCEO Collector-Emitter Voltage: - 80 V; (2)VEBO Emitter-Base Voltage: - 5 V; (3)IC Collector Current (DC): - 8 A; (4)ICP Collector Current (Pulse): - 16 A; (5)PC Collector Dissipation (TC=25℃): 20 W; (6)Collector Dissipation (Ta=25℃): 1.75 W; (7)TJ Junction Temperature: 150 ℃; (8)TSTG Storage Temperature: - 55 ~ 150 ℃.
Features
D45H11 features: (1)Load Formed for Surface Mount Application (No Suffix); (2)Straight Lead (I-PAK: -I Suffix); (3)Electrically Similar to Popular MJE45H; (4)Fast Switching Speeds; (5)Low Collector Emitter Saturation Voltage.
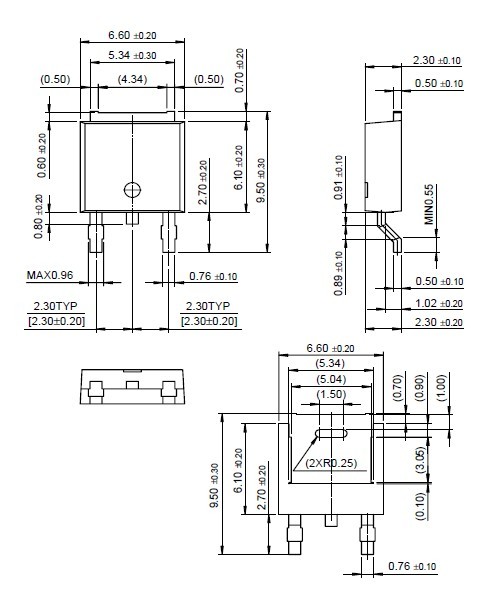
Diagrams

| Image | Part No | Mfg | Description | ![]() |
Pricing (USD) |
Quantity | ||||||||||||
|---|---|---|---|---|---|---|---|---|---|---|---|---|---|---|---|---|---|---|
![]() |
![]() D45H11FP |
![]() STMicroelectronics |
![]() Transistors Bipolar (BJT) PNP GEN PUR SWITCH |
![]() Data Sheet |
![]()
|
|
||||||||||||
![]() |
![]() D45H11J3 |
![]() Other |
![]() |
![]() Data Sheet |
![]() Negotiable |
|
||||||||||||
![]() |
![]() D45H11G |
![]() ON Semiconductor |
![]() Transistors Bipolar (BJT) 10A 80V 50W PNP |
![]() Data Sheet |
![]()
|
|
||||||||||||
![]() |
![]() D45H11 |
![]() Fairchild Semiconductor |
![]() Transistors Bipolar (BJT) BP PNP Pwr Switching Transistor |
![]() Data Sheet |
![]()
|
|
||||||||||||
(China (Mainland))












