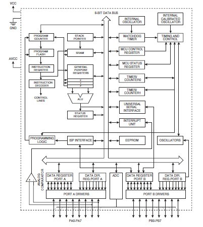
Product Summary
The ATTINY26-16SU is a low-power CMOS 8-bit microcontroller based on the AVR enhanced RISC architecture. By executing powerful instructions in a single clock cycle, the ATTINY26-16SU achieves throughputs approaching 1 MIPS per MHz allowing the system designer to optimize power consumption versus processing speed.
Parametrics
ATTINY26-16SU absolute maxing ratings: (1)Operating Temperature: -55℃ to +125℃ ; (2)Storage Temperature: -65℃ to +150℃; (3)Voltage on Any Pin except RESET with Respect to Ground: -0.5V to VCC + 0.5V; (4)Voltage on RESET with Respect to Ground: -0.5V to +13.0V; (5)Maximum Operating Voltage: 6.0V; (6)DC Current per I/O Pin: 40.0mA; (7)DC Current VCC and GND Pins: 200.0mA.
Features
ATTINY26-16SU features: (1)RISC Architecture: 118 Powerful Instructions Most Single Clock Cycle Execution; 32 x 8 General Purpose Working Registers; Fully Static Operation; Up to 16 MIPS Throughput at 16 MHz; (2)Data and Non-volatile Program Memory: 2K Bytes of In-System Programmable Program Memory Flash Endurance: 10,000 Write/Erase Cycles; 128 Bytes of In-System Programmable EEPROM Endurance: 100,000 Write/Erase Cycles; 128 Bytes Internal SRAM; Programming Lock for Flash Program and EEPROM Data Security.
Diagrams

| Image | Part No | Mfg | Description | ![]() |
Pricing (USD) |
Quantity | ||||||||||||
|---|---|---|---|---|---|---|---|---|---|---|---|---|---|---|---|---|---|---|
![]() |
![]() ATtiny26-16SU |
![]() Atmel |
![]() 8-bit Microcontrollers (MCU) 2kB Flash 128B EE 128B SRAM |
![]() Data Sheet |
![]()
|
|
||||||||||||
![]() |
![]() ATTINY26-16SUR |
![]() Atmel |
![]() 8-bit Microcontrollers (MCU) 2KB FL 128B EE 128B SRAM ADC 16MHZ IND5V |
![]() Data Sheet |
![]()
|
|
||||||||||||
(China (Mainland))










