Product Summary
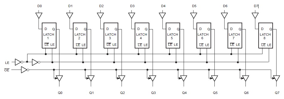
The 74LVC573APW consists of eight D-type transparent latches with 3-State true outputs. When LE is HIGH, data at the Dn inputs enters the latches. In this condition, the latches are transparent, i.e. a latch output will change each time its corresponding D-input changes. When LE of the 74LVC573APW is LOW, the latches store the information that was present at the D-inputs one setup time preceding the HIGH-to-LOW transition of LE. When OE is LOW, the contents of the eight latches are available at the outputs. When OE is HIGH, the outputs go to the high impedance OFF-state. Operation of the OE input does not affect the state of the latches.
Parametrics
74LVC573APW absolute maximum ratings: (1)VCC DC supply voltage –0.5 to +6.5 V; (2)IIK DC input diode current: VI 0 –50 mA; (3)VI DC input voltage: Note 2 –0.5 to +6.5 V; (4)IOK DC output diode current: VO VCC or VO ±50 mA VO; (5)DC output voltage; output HIGH or LOW state: Note 2 –0.5 to VCC +0.5 V; (6)DC output voltage; output 3-State: Note 2 –0.5 to 6.5; (7)IO DC output source or sink current: VO = 0 to VCC ±50 mA; (8)IGND, ICC DC VCC or GND current: ±100 mA; (9)Tstg Storage temperature range: –65 to +150℃; (10)Power dissipation per package: PTOT – plastic mini-pack (SO) above +70℃ derate linearly with 8 mW/K 500; (11)mW; plastic shrink mini-pack (SSOP and TSSOP) above +60℃ derate linearly with 5.5 mW/K 500.
Features
74LVC573APW features: (1)5-volt tolerant inputs/outputs, for interfacing with 5-volt logic; (2)Supply voltage range of 2.7V to 3.6V; (3)Complies with JEDEC standard no. 8-1A; (4)Inputs accept voltages up to 5.5V; (5)CMOS low power consumption; (6)Direct interface with TTL levels; (7)High impedance when VCC = 0V; (8)Flow-through pin-out architecture.
Diagrams

| Image | Part No | Mfg | Description | ![]() |
Pricing (USD) |
Quantity | ||||||||||||
|---|---|---|---|---|---|---|---|---|---|---|---|---|---|---|---|---|---|---|
![]() |
![]() 74LVC573APW |
![]() NXP Semiconductors |
![]() Latches 3.3V OCTAL D TRANS LATCH 3-S |
![]() Data Sheet |
![]() Negotiable |
|
||||||||||||
![]() |
![]() 74LVC573APW,112 |
![]() NXP Semiconductors |
![]() Latches 3.3V OCTAL D TRANS |
![]() Data Sheet |
![]()
|
|
||||||||||||
![]() |
![]() 74LVC573APW,118 |
![]() NXP Semiconductors |
![]() Latches OCTAL TRANSPAR LATCH |
![]() Data Sheet |
![]()
|
|
||||||||||||
(China (Mainland))









