Product Summary
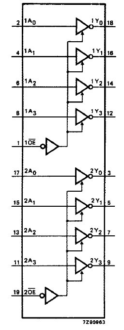
The 74HCT240N is a high-speed Si-gate CMOS device and is pin compatible with low power Schottky TTL(LSTTL). It is specified in compliance with JEDEC standard no. 7A. The 74HCT240N is an octal inverting buffer/line driver with 3-state outputs. The 3-state outputs are controlled by the output enable inputs 1OE and 2OE.
Parametrics
74HCT240N characteristics: (1)tPHL/ tPLH propagation delay 1An to 1Yn; 2An to 2Yn: Tamb=+25℃: typ=11ns, max=20ns; Tamb=-40 to +85℃: max=25ns; Tamb=-40 to +125℃: max=30ns; (2)tPZH/ tPZL 3-state output enable time 1OE to 1Yn; 2OE to 2Yn: Tamb=+25℃: typ=13ns, max=30ns; Tamb=-40 to +85℃: max=38ns; Tamb=-40 to +125℃: max=45ns; (3)tPHZ/ tPLZ 3-state output disable time 1OE to 1Yn; 2OE to 2Yn: Tamb=+25℃: typ=13ns, max=25ns; Tamb=-40 to +85℃: max=31ns; Tamb=-40 to +125℃: max=38ns; (4)tTHL/ tTLH output transition time: Tamb=+25℃: typ=5ns, max=12ns; Tamb=-40 to +85℃: max=15ns; Tamb=-40 to +125℃: max=18ns.
Features
74HCT240N features: (1)Output capability: bus driver; (2)ICC category: MSI.
Diagrams

| Image | Part No | Mfg | Description | ![]() |
Pricing (USD) |
Quantity | ||||||||||||
|---|---|---|---|---|---|---|---|---|---|---|---|---|---|---|---|---|---|---|
![]() |
![]() 74HCT240N,652 |
![]() NXP Semiconductors |
![]() Buffers & Line Drivers OCTAL BUFF/LDRVR 3ST INVERTING |
![]() Data Sheet |
![]()
|
|
||||||||||||
| Image | Part No | Mfg | Description | ![]() |
Pricing (USD) |
Quantity | ||||||||||||
![]() |
![]() 74HC |
![]() Other |
![]() |
![]() Data Sheet |
![]() Negotiable |
|
||||||||||||
![]() |
![]() 74HC/HCT02 |
![]() Other |
![]() |
![]() Data Sheet |
![]() Negotiable |
|
||||||||||||
![]() |
![]() 74HC/HCT03 |
![]() Other |
![]() |
![]() Data Sheet |
![]() Negotiable |
|
||||||||||||
![]() |
![]() 74HC/HCT10 |
![]() Other |
![]() |
![]() Data Sheet |
![]() Negotiable |
|
||||||||||||
![]() |
![]() 74HC/HCT107 |
![]() Other |
![]() |
![]() Data Sheet |
![]() Negotiable |
|
||||||||||||
![]() |
![]() 74HC/HCT109 |
![]() Other |
![]() |
![]() Data Sheet |
![]() Negotiable |
|
||||||||||||
(China (Mainland))










