Product Summary
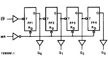
The 74HC393D is a dual 4-bit binary ripple counter. It is high-speed Si-gate CMOS device and is pin compatible with low power Schottky TTL(LSTTL). It is specified in compliance with JEDEC standard no. 7A. The 74HC393D is 4-bit binary ripple counter with separate clocks (1CP and 2 CP) and master reset (1MR and 2MR) inputs to each counter.
Parametrics
74HC393D characteristics: (1)tPHL/ tPLH propagation delay nCP to nQ0: Tamb=+25℃: typ=41ns, max=125ns; Tamb=-40 to +85℃: max=155ns; Tamb=-40 to +125℃: max=190ns; (2)tPHL/ tPLH propagation delay nQn to nQn+1: Tamb=+25℃: typ=14ns, max=45ns; Tamb=-40 to +85℃: max=55ns; Tamb=-40 to +125℃: max=70ns; (3)tPHL propagation delay nMR to nQn: Tamb=+25℃: typ=39ns, max=140ns; Tamb=-40 to +85℃: max=175ns; Tamb=-40 to +125℃: max=210ns; (4)tTHL/ tTLH output transition time: Tamb=+25℃: typ=19ns, max=75ns; Tamb=-40 to +85℃: max=95ns; Tamb=-40 to +125℃: max=110ns.
Features
74HC393D features: (1)Two 4-bit binary counters with individual clocks; (2)Divide-by any binary module up to 28 in one package; (3)Two master resets to clear each 4-bit counter individually; (4)Output capability: standard; (5)ICC category: MSI.
Diagrams

| Image | Part No | Mfg | Description | ![]() |
Pricing (USD) |
Quantity | ||||||||||||
|---|---|---|---|---|---|---|---|---|---|---|---|---|---|---|---|---|---|---|
![]() |
![]() 74HC393D |
![]() NXP Semiconductors |
![]() Counter ICs DUAL 4-BIT BINARY RIPPLE COUNT |
![]() Data Sheet |
![]() Negotiable |
|
||||||||||||
![]() |
![]() 74HC393D,652 |
![]() NXP Semiconductors |
![]() Counter ICs DUAL 4-BIT BINARY |
![]() Data Sheet |
![]()
|
|
||||||||||||
![]() |
![]() 74HC393D,653 |
![]() NXP Semiconductors |
![]() Counter ICs 4BIT BIN RIP COUNTER DUAL |
![]() Data Sheet |
![]()
|
|
||||||||||||
![]() |
![]() 74HC393DB,112 |
![]() NXP Semiconductors |
![]() Counter ICs DUAL 4-BIT BINARY |
![]() Data Sheet |
![]()
|
|
||||||||||||
![]() |
![]() 74HC393DB |
![]() NXP Semiconductors |
![]() Counter ICs DUAL 4-BIT BINARY RIPPLE COUNT |
![]() Data Sheet |
![]() Negotiable |
|
||||||||||||
![]() |
![]() 74HC393DB,118 |
![]() NXP Semiconductors |
![]() Counter Shift Registers DUAL 4-BIT BINARY |
![]() Data Sheet |
![]()
|
|
||||||||||||
![]() |
![]() 74HC393DB-T |
![]() NXP Semiconductors |
![]() Counter ICs DUAL 4-BIT BINARY RIPPLE COUNT |
![]() Data Sheet |
![]() Negotiable |
|
||||||||||||
(China (Mainland))









