Product Summary
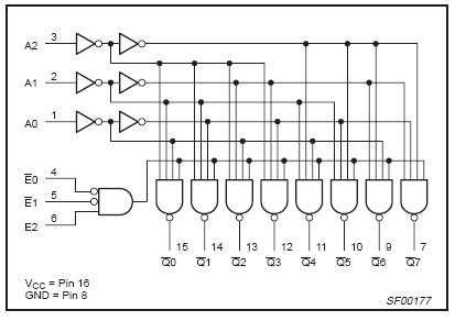
The 74F138MX is a 1-of-8 decoder/demultiplexer. The 74F138MX decoder accepts three binary weighted inputs (A0, A1, A2) and when enabled, provides eight mutually exclusive, active low outputs (Q0 – Q7). The 74F138MX features three enable inputs; two active low (E0, E1) and one active high (E2). Every output will be high unless E0 and E1 are low and E2 is high. This multiple enable function allows easy parallel expansion of the device to 1-of-32 (5 lines to 32 lines) decoder with just four 74F138s and one inverter. The device can be used as an eight output demultiplexer by using one of the active low enable inputs as the data input and the remaining enable inputs as strobes. Enable inputs not used must be permanently tied to their appropriate active high or active low state.
Parametrics
74F138MX absolute maximum ratings: (1)Supply voltage: –0.5 to +7.0 V; (2)Input voltage: –0.5 to +7.0 V; (3)Input current: –30 to +5 mA; (4)Voltage applied to output in High output state: –0.5 to VCC V; (5)Current applied to output in Low output state: 40 mA; (6)Operating free air temperature range: Commercial range 0℃ to +70℃, Industrial range: –40℃ to +85℃; (7)Tstg Storage temperature range: –65℃ to +150℃.
Features
74F138MX features: (1)Demultiplexing capability; (2)Multiple input enable for easy expansion; (3)Ideal for memory chip select decoding; (4)Industrial temperature range available (-40℃ to +85℃).
Diagrams

![]() |
![]() 74F104AI |
![]() Bourns |
![]() RF Inductors 100uH 10% |
![]() Data Sheet |
![]() Negotiable |
|
||||
![]() |
![]() 74F1056SC |
![]() Fairchild Semiconductor |
![]() Schottky (Diodes & Rectifiers) 8-Bit Diode Array |
![]() Data Sheet |
![]() Negotiable |
|
||||
![]() |
![]() 74F1056SCX |
![]() Fairchild Semiconductor |
![]() Schottky (Diodes & Rectifiers) 8-Bit Diode Array |
![]() Data Sheet |
![]() Negotiable |
|
||||
![]() |
![]() 74F105AP |
![]() Bourns |
![]() RF Inductors 10uH 10% |
![]() Data Sheet |
![]() Negotiable |
|
||||
![]() |
![]() 74F106AP |
![]() Bourns |
![]() RF Inductors 1.0uH 20% |
![]() Data Sheet |
![]() Negotiable |
|
||||
![]() |
![]() 74F1071 |
![]() Other |
![]() |
![]() Data Sheet |
![]() Negotiable |
|
||||
(China (Mainland))










