Product Summary
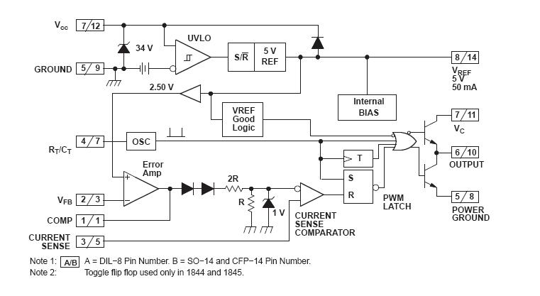
The UC3843D is a current mode PWM controller. The UC3843D of control devices provides the necessary features to implement off-line or dc-to-dc fixed frequency current mode control schemes with a minimal external parts count. Internally implemented circuits include under-voltage lockout featuring start up current less than 1 mA, a precision reference trimmed for accuracy at the error amp input, logic to insure latched operation, a PWM comparator which also provides current limit control, and a totem pole output stage designed to source or sink high peak current. The output stage, suitable for driving N-Channel MOSFETs, is low in the off state.
Parametrics
UC3843D absolute maximum ratings: (1)Supply voltage(Low impedance source): 30V; (2)Supply voltage(ICC<30 mA): self limiting; (3)Output current: ±1 A; (4)Output energy (capacitive load): 5 μJ; (5)Analog inputs (Pins 2, 3): –0.3V to 6.3V; (6)Error amp output sink current: 10 mA; (7)Power dissipation(TA≤25℃): 725mW; (8)Storage temperature range: –65℃ to 15℃; (9)Junction temperature range: –55℃ to 150℃; (10)Lead temperature (soldering, 10 seconds): 300℃.
Features
UC3843D features: (1)Optimized For Off-line and DC-to-DC Converters; (2)Low Start-Up Current (<1 mA); (3)Automatic Feed Forward Compensation; (4) Pulse-by-Pulse Current Limiting; (5) Enhanced Load Response Characteristics; (6) Under-Voltage Lockout With Hysteresis; (7) Double Pulse Suppression; (8) High Current Totem Pole Output; (9) Internally Trimmed Bandgap Reference; (10)500-kHz Operation; (11) Low RO Error Amp.
Diagrams

| Image | Part No | Mfg | Description | ![]() |
Pricing (USD) |
Quantity | ||||||||||||
|---|---|---|---|---|---|---|---|---|---|---|---|---|---|---|---|---|---|---|
![]() |
![]() UC3843D1 |
![]() Fairchild Semiconductor |
![]() Current Mode PWM Controllers Current Mode PWM Control IC |
![]() Data Sheet |
![]() Negotiable |
|
||||||||||||
![]() |
![]() UC3843D1X |
![]() Fairchild Semiconductor |
![]() Current Mode PWM Controllers Current Mode PWM Control IC |
![]() Data Sheet |
![]() Negotiable |
|
||||||||||||
![]() |
![]() UC3843D8TR |
![]() Texas Instruments |
![]() Current Mode PWM Controllers Current-Mode PWM Controller |
![]() Data Sheet |
![]()
|
|
||||||||||||
![]() |
![]() UC3843D8TRG4 |
![]() Texas Instruments |
![]() Current Mode PWM Controllers Current-Mode PWM Controller |
![]() Data Sheet |
![]()
|
|
||||||||||||
![]() |
![]() UC3843DG4 |
![]() Texas Instruments |
![]() Current Mode PWM Controllers Current-Mode PWM Controller |
![]() Data Sheet |
![]()
|
|
||||||||||||
![]() |
![]() UC3843DTR |
![]() Texas Instruments |
![]() Current Mode PWM Controllers Current-Mode PWM Controller |
![]() Data Sheet |
![]()
|
|
||||||||||||
![]() |
![]() UC3843DTRG4 |
![]() Texas Instruments |
![]() Current Mode PWM Controllers Current-Mode PWM Controller |
![]() Data Sheet |
![]()
|
|
||||||||||||
![]() |
![]() UC3843DX |
![]() Fairchild Semiconductor |
![]() Current Mode PWM Controllers Current Mode PWM Control IC |
![]() Data Sheet |
![]() Negotiable |
|
||||||||||||
(China (Mainland))









