Product Summary
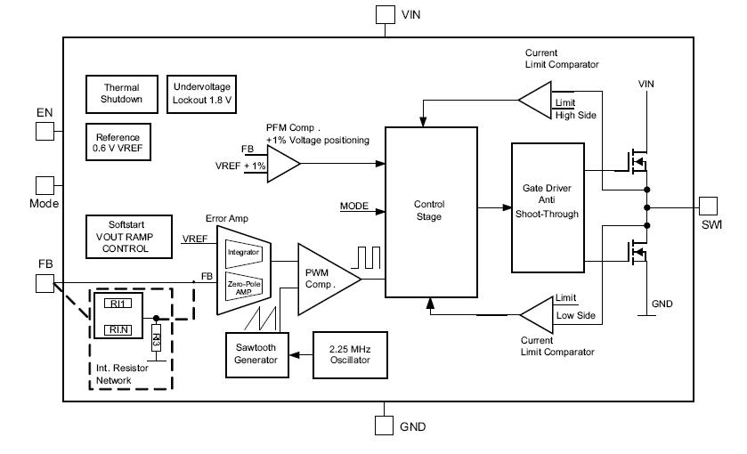
The TPS62290DRVR is a 1-A Step down Converter in 2×2 SON Package. The TPS62290DRVR device is a high efficient synchronous step down dc-dc converter optimized for battery powered portable applications. It provides up to 1000-mA output current from a single Li-Ion cell. The applications of the TPS62290DRVR include Cell Phones, Smart-phones, WLAN, PDAs, Pocket PCs, Low Power DSP Supply, Portable Media Players, POL.
Parametrics
TPS62290DRVR absolute maximum ratings: (1)Input voltage range:–0.3V to 7V; (2)Voltage range at EN, MODE: –0.3V to VIN +0.3V, ≤7V; (3)Voltage on SW: –0.3V to 7V; (4)Peak output current: Internally limited A; (5)ESD rating HBM Human body model: 2kV; (6)ESD rating CDM Charge device model: 1KV; (7)ESD rating Machine model: 200 V; (8)TJ Maximum operating junction temperature: –40℃ to 125℃; (9)Tstg Storage temperature range: –65℃ to 150℃.
Features
TPS62290DRVR features: (1)High Efficiency Step Down Converter; (2)Output Current up to 1000 mA; (3)VIN Range From 2.3 V to 6 V; (4)2.25 MHz Fixed Frequency Operation; (5)Power Save Mode at Light Load Currents; (6)Output Voltage Accuracy in PWM mode ±1.5%; (7)Typ. 15-μA Quiescent Current; (8)100% Duty Cycle for Lowest Dropout; (9)Voltage Positioning at Light Loads; (10)Available in a 2×2×0,8 mm SON Package.
Diagrams

| Image | Part No | Mfg | Description | ![]() |
Pricing (USD) |
Quantity | ||||||||||||
|---|---|---|---|---|---|---|---|---|---|---|---|---|---|---|---|---|---|---|
![]() |
![]() TPS62290DRVR |
![]() Texas Instruments |
![]() DC/DC Switching Regulators 2.25MHz 1A Step- Down Converter |
![]() Data Sheet |
![]()
|
|
||||||||||||
![]() |
![]() TPS62290DRVRG4 |
![]() Texas Instruments |
![]() DC/DC Switching Regulators 2.25MHz 1A Step- Down Converter |
![]() Data Sheet |
![]()
|
|
||||||||||||
(China (Mainland))









