Product Summary
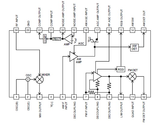
The TK10931VTL-G is an IF system IC designed for communications equipment. It is suited for Amateur radios, CB radios, and Wide-Band receivers. The TK10931VTL-G is available in the very small TSSOP-24 surface mount package. It is used in Amateur Radios, CB Radios, Utility Radios, Scanner Receivers.
Parametrics
TK10931VTL-G absolute maximum ratings: (1)Supply Voltage: 10 V; (2)Operating Voltage Range: 2.5 to 8.5 V; (3)Power Dissipation: 230 mW; (4)FM Limiter Amp Input Frequency: 11 MHz; (5)AM AGC Amp Input Frequency: 0.5 MHz; (6)Mixer Input Frequency: 150 MHz; (7)Storage Temperature Range: -55 to +150 ℃; (8)Operating Temperature Range: -30 to +85 ℃.
Features
TK10931VTL-G features: (1)Simultaneous Operation (AM Section, FM Section); (2)AM Section with ON/OFF Control Input; (3)AGC Amplifier Control Input; (4)AGC Amplifier Output; (5)High-speed FM Limiter Amplifier (Up to 11 MHz); (6)RF AGC Output (for External RF Amplifier); (7)Built-in Noise Squelch Circuit (Noise Amplifier, Rectifier, Comparator); (8)Wide Range Voltage Operation (2.5 V to 8.5 V); (9)Very Small Package (TSSOP-24).
Diagrams

![]() |
![]() TK100E06N1,S1X |
![]() |
![]() MOSFET N CH 60V 100A TO-220 |
![]() Data Sheet |
![]()
|
|
||||||||||||||||||||||
![]() |
![]() TK100E08N1,S1X |
![]() |
![]() MOSFET N CH 80V 214A TO220 |
![]() Data Sheet |
![]()
|
|
||||||||||||||||||||||
![]() |
![]() TK100E10N1,S1X |
![]() |
![]() MOSFET N CH 100V 207A TO220 |
![]() Data Sheet |
![]()
|
|
||||||||||||||||||||||
![]() |
![]() TK100F04K3(TE24L,Q |
![]() Toshiba |
![]() MOSFET N-ch 40V 100A TO-220SM(W) |
![]() Data Sheet |
![]()
|
|
||||||||||||||||||||||
![]() |
![]() TK100F06K3(TE24L,Q |
![]() Toshiba |
![]() MOSFET N-ch 60V 100A TO-220SM(W) |
![]() Data Sheet |
![]()
|
|
||||||||||||||||||||||
![]() |
![]() TK10415 |
![]() Other |
![]() |
![]() Data Sheet |
![]() Negotiable |
|
||||||||||||||||||||||
(China (Mainland))









