Product Summary
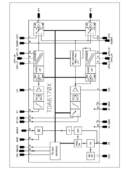
The TDA6170XGEG is a component for entertainment electronics, statellite sound IF. Multistandard satellite sound IF device consisting of a mixer and a voltage controlled oscillator (VCO) as a frequency converter that can be continuously tuned in 10 kHz increments with crystal accuracy by means of a PLL, two FM limiter amplifiers with PLL FM demodulators followed by two Wegener PANDA1TM expanders. The AF signal passes through two switches. Each switch can select the AF sources and the mono / stereo mode the de-emphasis networks together with the two following volume control stages with audio buffers. In front of one FM section an IF multiplexer is used to select the IF bandwidth. The switching functions and settings of the PLL are controlled by an I2C-bus. The application of the TDA6170XGEG is for use in satellite receivers.
Parametrics
TDA6170XGEG absolute maximum ratings: (1)Supply voltage (digital) VVD: 0 to 6 V; (2)Supply voltage (analog) VVA: 0 to 13.2 V; (3)Mixer input VMIXIN: -0.3 to 13.2 V; (4)IF inputs VIF: -0.3 to 1 V; (5)Crystal oscillator VXTAL: 0 to 1.5 V; (6)SDA; SCL; CAS V: -0.3 to 6 V; (7)Junction temperature Tj: 0℃ to 150℃; (8)Storage temperature Tstg: 0℃ to 125℃; (9)Thermal resistance Rth j-a: 75 K/W; (10) ESD-Protection VESD: 2 kV.
Features
TDA6170XGEG features: (1)Fast I2C-bus controlled (max. 400 kHz); (2)PLL controlled sound IF tuning with 10 kHz stepwidth; (3)Second order high-pass mixer input; (4)IF MUX for 10.7 MHz broad / small IF filters; (5)Two identical high sensitive alignment free FM demodulators; (6)Original Wegener PANDA 1TM expander; (7)Volume control for individual settings; (8)50 μs / 75 μs / J17 de-emphasis for main sound reception; (9)Fully ESD protection.
Diagrams

![]() |
![]() TDA6048-5X |
![]() Other |
![]() |
![]() Data Sheet |
![]() Negotiable |
|
||||
![]() |
![]() TDA6050-5 |
![]() Other |
![]() |
![]() Data Sheet |
![]() Negotiable |
|
||||
![]() |
![]() TDA6051-5X |
![]() Other |
![]() |
![]() Data Sheet |
![]() Negotiable |
|
||||
![]() |
![]() TDA6060G |
![]() Other |
![]() |
![]() Data Sheet |
![]() Negotiable |
|
||||
![]() |
![]() TDA6060XS |
![]() Other |
![]() |
![]() Data Sheet |
![]() Negotiable |
|
||||
![]() |
![]() TDA6101Q |
![]() Other |
![]() |
![]() Data Sheet |
![]() Negotiable |
|
||||
(China (Mainland))








