Product Summary
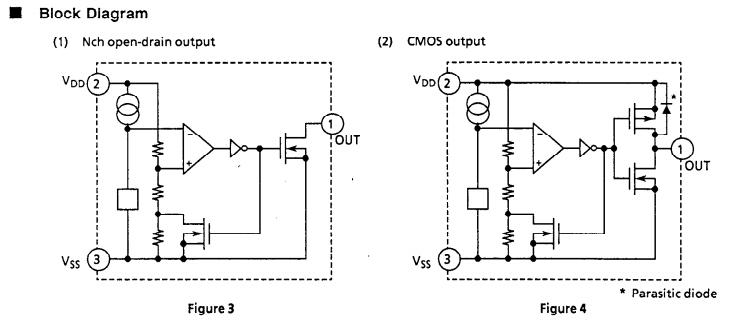
The S-8051ANB is a non-adjusting voltage detector made using a CMOS process. The detection voltage is fixed internally. The S-8051ANB is composed of a high-precision and low power consumption standard voltage source, a comparator, a hysteresis circuit, and an output driver. Output forms are Nch open-drain and CMOS output, both of which have various product line ups. Since the S-8051ANB needs a typical power consumption of 1.4μA, much lower than other voltage monitoring ICs, battery-powered portable equipment can have a higher capacity and a longer service life. The applications of the S-8051ANB include battery checker, level selector, battery backup of memories, power failure detector, reset for microcomputer etc and store signal detector for non-volatile RAM.
Parametrics
S-8051ANB absolute maximum ratings: (1)power supply voltage, VDD-VSS: 12.0V; (2)input voltage, VIN: VSS-0.3 to VDD+0.3V; (3)output voltage, Nch opendrain output, VOUT: VSS-0.3 to 12V; CMOS output, VOUT: VSS-0.3 to VIN+0.3V; (4)output current, IOUT: 50mA; (5)power dissipation, PD: 200mW; (6)operating temperature, Topr: -20 to 70℃; (7)storage temperature, Tstg: -40 to 125℃.
Features
S-8051ANB features: (1)low power consumption (VDD=1.5V: 1.4μA typ); (2)low resetting output minimum gurantee voltage; (3)high-stable standard voltage source built-in (0.8V typ); (4)hysteresis characteristic (200mV typ); (5)good temperature characteristic of detection voltage; (6)TO-92 mini-power mold plastic packages are available.
Diagrams

| Image | Part No | Mfg | Description | ![]() |
Pricing (USD) |
Quantity | ||||||||||||
|---|---|---|---|---|---|---|---|---|---|---|---|---|---|---|---|---|---|---|
![]() |
![]() S-8051ANB |
![]() Other |
![]() |
![]() Data Sheet |
![]() Negotiable |
|
||||||||||||
| Image | Part No | Mfg | Description | ![]() |
Pricing (USD) |
Quantity | ||||||||||||
![]() |
![]() S-80 |
![]() CCS |
![]() Development Software ACE KIT W/ICD PCWH |
![]() Data Sheet |
![]()
|
|
||||||||||||
![]() |
![]() S-800 |
![]() Bivar |
![]() Mounting Hardware Stat-O-Gide 8 in Nylon Black |
![]() Data Sheet |
![]()
|
|
||||||||||||
![]() |
![]() S-8001-10-R |
![]() Cooper Bussmann |
![]() Fuseholders, Clips, & Hardware 300V Solder 10 Pos Straight |
![]() Data Sheet |
![]()
|
|
||||||||||||
![]() |
![]() S-8001-1-R |
![]() Cooper Bussmann |
![]() Fuseholders, Clips, & Hardware BUSS FUSEBLOCK |
![]() Data Sheet |
![]()
|
|
||||||||||||
![]() |
![]() S-8002-12-R |
![]() Cooper Bussmann |
![]() Fuseholders, Clips, & Hardware BUSS FUSEBLOCK |
![]() Data Sheet |
![]()
|
|
||||||||||||
![]() |
![]() S-8002-1-R |
![]() Cooper Bussmann |
![]() Fuseholders, Clips, & Hardware BUSS FUSEBLOCK |
![]() Data Sheet |
![]()
|
|
||||||||||||
(China (Mainland))











