Product Summary
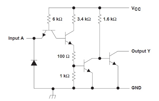
The SN7407DR is a TTL hex buffer/driver. It features high-voltage open-collector outputs for interfacing with high-level circuits (such as MOS) or for driving high-current loads (such as lamps or relays) and also is characterized for use as buffers for driving TTL inputs. The SN7407DRG4 has minimum breakdown voltages of 30 V. The maximum sink current is 40 mA. The SN7407DR performs the Boolean function Y = A in positive logic.
Parametrics
SN7407DR absolute maximum ratings: (1)Supply voltage, VCC: 7 V; (2)Input voltage, VI: 5.5 V; (3)Output voltage, VO: 30 V; (4)Package thermal impedance, θJA: D package: 86℃/W; N package: 80℃/W; NS package: 76℃/W; (5)Storage temperature range, Tstg: -65℃ to 150℃.
Features
SN7407DR features: (1)Convert TTL Voltage Levels to MOS Levels; (2)High Sink-Current Capability; (3)Input Clamping Diodes Simplify System Design; (4)Open-Collector Driver for Indicator Lamps and Relays; (5)Inputs Fully Compatible With Most TTL Circuits.
Diagrams

| Image | Part No | Mfg | Description | ![]() |
Pricing (USD) |
Quantity | ||||||||||||
|---|---|---|---|---|---|---|---|---|---|---|---|---|---|---|---|---|---|---|
![]() |
![]() SN7407DRE4 |
![]() Texas Instruments |
![]() Buffers & Line Drivers Hex Buffer/Driver |
![]() Data Sheet |
![]()
|
|
||||||||||||
![]() |
![]() SN7407DRG4 |
![]() Texas Instruments |
![]() Buffers & Line Drivers Hex Buffer/Driver |
![]() Data Sheet |
![]()
|
|
||||||||||||
![]() |
![]() SN7407DR |
![]() Texas Instruments |
![]() Buffers & Line Drivers Hex Buffer/Driver |
![]() Data Sheet |
![]()
|
|
||||||||||||
(China (Mainland))









