Product Summary
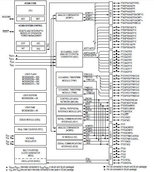
The MC9S08DZ60ACLH is a microcontroller. The MC9S08DZ60ACLH provides significant value to customers looking to combine CAN and embedded EEPROM in their applications. This combination will provide lower costs, enhanced performance, and higher quality.
Parametrics
MC9S08DZ60ACLH absolute maximum ratings: (1)Supply voltage VDD: -0.3 to + 5.8 V; (2)Input voltage VIn: -0.3 to VDD + 0.3 V; (3)Instantaneous maximum current Single pin limit (applies to all port pins)ID: ± 25 mA; (4)Maximum current into VDD IDD: 120 mA; (5)Storage temperature Tstg: -55 to +150 ℃.
Features
MC9S08DZ60ACLH features: (1)40-MHz HCS08 CPU (20-MHz bus); (2)HC08 instruction set with added BGND instruction; (3)Support for up to 32 interrupt/reset sources; (4)Two very low power stop modes; (5)Reduced power wait mode; (6)Very low power real time interrupt for use in run, wait, and stop; (7)Up to 2K EEPROM in-circuit programmable memory; 8-byte single-page or 4-byte dual-page erase sector; Program and Erase while executing FLASH; Erase abort; (8)Up to 4K random-access memory (RAM).
Diagrams

| Image | Part No | Mfg | Description | ![]() |
Pricing (USD) |
Quantity | ||||||||||||
|---|---|---|---|---|---|---|---|---|---|---|---|---|---|---|---|---|---|---|
![]() |
![]() MC9S08DZ60ACLH |
![]() Freescale Semiconductor |
![]() 8-bit Microcontrollers (MCU) 60K FL, 4K RAM, CAN, LIN MASTER, EEPROM |
![]() Data Sheet |
![]()
|
|
||||||||||||
| Image | Part No | Mfg | Description | ![]() |
Pricing (USD) |
Quantity | ||||||||||||
![]() |
![]() MC9S08AC128CFGE |
![]() Freescale Semiconductor |
![]() 8-bit Microcontrollers (MCU) 8 Bit 128K FLASH 8K RAM |
![]() Data Sheet |
![]()
|
|
||||||||||||
![]() |
![]() MC9S08AC128CFUE |
![]() Freescale Semiconductor |
![]() 8-bit Microcontrollers (MCU) 8 Bit 128K FLASH 8K RAM |
![]() Data Sheet |
![]()
|
|
||||||||||||
![]() |
![]() MC9S08AC128CLKE |
![]() Freescale Semiconductor |
![]() 8-bit Microcontrollers (MCU) 8 Bit 128K FLASH 8K RAM |
![]() Data Sheet |
![]()
|
|
||||||||||||
![]() |
![]() MC9S08AC128MLKE |
![]() Freescale Semiconductor |
![]() 8-bit Microcontrollers (MCU) 128K FLASH, 8K RAM |
![]() Data Sheet |
![]()
|
|
||||||||||||
![]() |
![]() MC9S08AC128MFGE |
![]() Freescale Semiconductor |
![]() 8-bit Microcontrollers (MCU) 128K FLASH, 8K RAM |
![]() Data Sheet |
![]()
|
|
||||||||||||
![]() |
![]() MC9S08AC128MFUE |
![]() Freescale Semiconductor |
![]() 8-bit Microcontrollers (MCU) 128K FLASH 8K RAM |
![]() Data Sheet |
![]()
|
|
||||||||||||
(China (Mainland))









