Product Summary
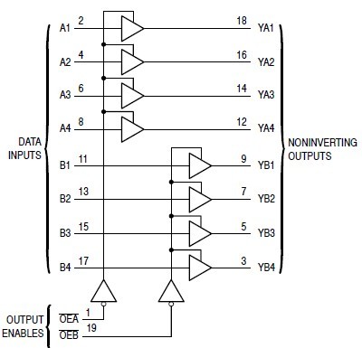
The MC74VHC244DW is an advanced high speed CMOS octal bus buffer fabricated with silicon gate CMOS technology. The MC74VHC244DW is a noninverting 3--state buffer, and has two active low output enables. This device is designed to be used with 3 state memory address drivers, etc. The internal circuit is composed of three stages, including a buffer output which provides high noise immunity and stable output. The inputs tolerate voltages up to 7 V, allowing the interface of 5 V systems to 3 V systems.
Parametrics
MC74VHC244DW absolute maximum ratings: (1)VCC Positive DC Supply Voltage: -0.5 to +7.0 V; (2)VIN Digital Input Voltage: -0.5 to +7.0 V; (3)VOUT DC Output Voltage: -0.5 to VCC +0.5 V; (4)IIK Input Diode Current: -20 mA; (5)IOK Output Diode Current: ±20 mA; (6)IOUT DC Output Current, per Pin: ±25 mA; (7)ICC DC Supply Current, VCC and GND Pins: ±75 mA; (8)PD Power Dissipation in Still Air SOIC: 500mW; TSSOP: 450mW; (9)TSTG Storage Temperature Range: -65 to +150 ℃; (10)VESD ESD Withstand Voltage: >2000V; (11)ILATCHUP Latchup Performance: ±300 mA; (12)θJA Thermal Resistance, Junction to Ambient SOIC: 96℃/W; TSSOP: 128℃/W.
Features
MC74VHC244DW features: (1)High Speed: tPD = 3.9 ns (Typ) at VCC = 5 V; (2)Low Power Dissipation: ICC = 4 mA (Max) at TA = 25℃; (3)High Noise Immunity: VNIH = VNIL = 28% VCC; (4)Power Down Protection Provided on Inputs; (5)Balanced Propagation Delays; (6)Designed for 2 V to 5.5 V Operating Range; (7)Low Noise: VOLP = 0.9 V (Max); (8)Pin and Function Compatible with Other Standard Logic Families; (9)Latchup Performance Exceeds 300 mA; (10)ESD Performance: Human Body Model > 2000 V; Machine Model > 200 V; (11)Chip Complexity: 136 FETs; (12)Pb--Free Packages are Available.
Diagrams

| Image | Part No | Mfg | Description | ![]() |
Pricing (USD) |
Quantity | ||||||||||||||
|---|---|---|---|---|---|---|---|---|---|---|---|---|---|---|---|---|---|---|---|---|
![]() |
![]() MC74VHC244DWR2 |
![]() ON Semiconductor |
![]() Buffers & Line Drivers 2-5.5V Octal 3-State |
![]() Data Sheet |
![]() Negotiable |
|
||||||||||||||
![]() |
![]() MC74VHC244DWR2G |
![]() ON Semiconductor |
![]() Buffers & Line Drivers 2-5.5V Octal 3-State Non-Inverting |
![]() Data Sheet |
![]()
|
|
||||||||||||||
(China (Mainland))









