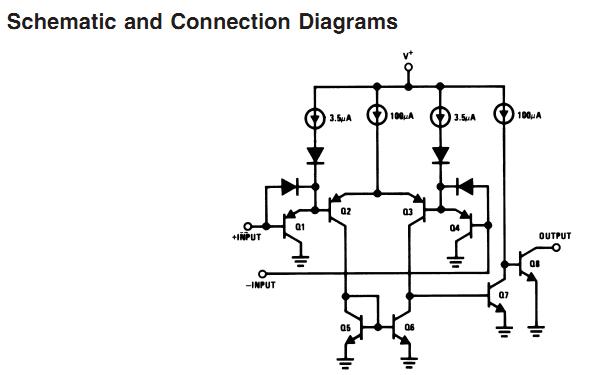
Product Summary
The LM393 is a Low Power Low Offset Voltage Dual Comparator. The LM393 consists of two independent precision voltage comparators with an offset voltage specification as low as 2.0 mV max for two comparators which were designed specifically to operate from a single power supply over a wide range of voltages. Operation from split power supplies is also possible and the low power supply current drain is independent of the magnitude of the power supply voltage. The comparator LM393 also has a unique characteristic in that the input common-mode voltage range includes ground, even though operated from a single power supply voltage.
Parametrics
LM393 absolutem aximum ratings: (1)Supply Voltage, V+: 36V; (2)Differential Input Voltage: 36V; (3)Input Voltage: -0.3V to +36V; (4)Input Current (VIN<-0.3V): 50 mA; (5)Power Dissipation: 780 mW; (6)Output Short-Circuit to Ground: Continuous; (7)Operating Temperature Range: 0 to +70℃; (8)Storage Temperature Range: -65 to +150℃; (9)Lead Temperature (Soldering, 10 seconds): +260℃; (10)ESD rating: 1300V.
Features
LM393 features: (1)Wide supply: Voltage range: 2.0V to 36V; Single or dual supplies: ±1.0V to ±18V; (2)Very low supply current drain (0.4 mA) — independent of supply voltage; (3)Low input biasing current: 25 nA; (4)Low input offset current: ±5nA; (5)Maximum offset voltage: ±3mV; (6)nInput common-mode voltage range includes ground; (7)Differential input voltage range equal to the power supply voltage; (8)Low output saturation voltage,: 250 mV at 4 mA; (9)Output voltage compatible with TTL, DTL, ECL, MOS and CMOS logic systems; (10)Available in the 8-Bump (12 mil) micro SMD package; (11)See AN-1112 for micro SMD considerations.
Diagrams

| Image | Part No | Mfg | Description | ![]() |
Pricing (USD) |
Quantity | ||||||||||||
|---|---|---|---|---|---|---|---|---|---|---|---|---|---|---|---|---|---|---|
![]() |
![]() LM393 |
![]() Other |
![]() |
![]() Data Sheet |
![]() Negotiable |
|
||||||||||||
![]() |
![]() LM39300 |
![]() Other |
![]() |
![]() Data Sheet |
![]() Negotiable |
|
||||||||||||
![]() |
![]() LM39300/1/2 |
![]() Other |
![]() |
![]() Data Sheet |
![]() Negotiable |
|
||||||||||||
![]() |
![]() LM39301 |
![]() Other |
![]() |
![]() Data Sheet |
![]() Negotiable |
|
||||||||||||
![]() |
![]() LM39302 |
![]() Other |
![]() |
![]() Data Sheet |
![]() Negotiable |
|
||||||||||||
![]() |
![]() LM393A |
![]() Other |
![]() |
![]() Data Sheet |
![]() Negotiable |
|
||||||||||||
![]() |
![]() LM393AD |
![]() Texas Instruments |
![]() Comparator ICs Dual Differential |
![]() Data Sheet |
![]()
|
|
||||||||||||
![]() |
![]() LM393ADE4 |
![]() Texas Instruments |
![]() Comparator ICs Dual Differential Comparator |
![]() Data Sheet |
![]()
|
|
||||||||||||
(China (Mainland))










