Product Summary
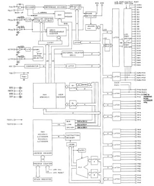
The LC72322Y is a single-chip microcontroller for use in electronic tuning applications. It includes on chip both LCD drivers and a PLL circuit that can operate at up to 150 MHz. The LC72322Y features that the IC is reversed pinassignment versions of LC72322 respectively and has the equal functions and specifications to theirs respectively.
Parametrics
LC72322Y absolute maximum ratings: (1)Maximum supply voltage VDD max: –0.3 to +6.5 V; (2)Input voltage VIN1: –0.3 to +13 V, VIN2: –0.3 to VDD + 0.3 V; (3)Output voltage VOUT1: –0.3 to +15 V, VOUT2: –0.3 to VDD + 0.3 V; (4)Allowable power dissipation Pd max: 300 mW; (5)Operating temperature Topr: –40 to +85 ℃; (6)Storage temperature Tstg: –45 to +125 ℃.
Features
LC72322Y features: (1)Stack: Eight levels; (2)Fast programmable divider; (3)General-purpose counters: HCTR for frequency measurement and LCTR for frequency or period measurement; (4)LCD driver for displays with up to 56 segments(1/2 duty, 1/2 bias); (5)Data memory (RAM): 256 4-bit digits; (6)All instructions are single-word instructions; (7)Program runaway can be detected and a special address set (Programmable watchdog timer).; (8)Voltage detection type reset circuit; (9)One 6-bit A/D converter; (10)One external interrupt; (11)Hold mode for RAM backup; (12)Sense FF for hot/cold startup determination.
Diagrams

![]() |
![]() LC72121 |
![]() Other |
![]() |
![]() Data Sheet |
![]() Negotiable |
|
||||||||||||
![]() |
![]() LC72121M |
![]() Other |
![]() |
![]() Data Sheet |
![]() Negotiable |
|
||||||||||||
![]() |
![]() LC72121MA-AH |
![]() ON Semiconductor |
![]() Clock Synthesizer / Jitter Cleaner |
![]() Data Sheet |
![]()
|
|
||||||||||||
![]() |
![]() LC72121V |
![]() Other |
![]() |
![]() Data Sheet |
![]() Negotiable |
|
||||||||||||
![]() |
![]() LC72122V |
![]() Other |
![]() |
![]() Data Sheet |
![]() Negotiable |
|
||||||||||||
![]() |
![]() LC72130 |
![]() Other |
![]() |
![]() Data Sheet |
![]() Negotiable |
|
||||||||||||
(China (Mainland))








