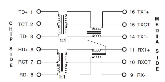
Product Summary
The HX2019NL is a 10/100BASE-TX VoIP Magnetics Module.
Parametrics
HX2019NL absolute maximum ratings: (1)Insertion Loss (dB MAX): -1.4 dB at 1-100MHz; (2)Return Loss (dB MIN): -16 dB at 1-30MHz, -14 dB at 40MHz, -13 dB at 50MHz, -12 dB at 60-80MHz; (3)Crosstalk (dB MIN): -45 dB at 30MHz, -40 dB at 60MHz, -35 dB at 100MHz; (4)Hipot (VRMS MIN): 1800 V.
Features
HX2019NL features: (1)RoHS-5 peak reflow temperature rating 235℃; (2)RoHS-6 peak reflow temperature rating 245℃; (3)IEEE 802.3af/ANSI X3.263 compliant performance; (4)Designed for IP phone or switch applications.
Diagrams

| Image | Part No | Mfg | Description | ![]() |
Pricing (USD) |
Quantity | ||||||||||||||
|---|---|---|---|---|---|---|---|---|---|---|---|---|---|---|---|---|---|---|---|---|
![]() |
![]() HX2019NL |
![]() Pulse |
![]() Transformers Audio & Signal EXT TMP VER HX2019 |
![]() Data Sheet |
![]()
|
|
||||||||||||||
![]() |
![]() HX2019NLT |
![]() Pulse |
![]() Transformers Audio & Signal EXT TMP VER HX2019 |
![]() Data Sheet |
![]()
|
|
||||||||||||||
(China (Mainland))










