Product Summary
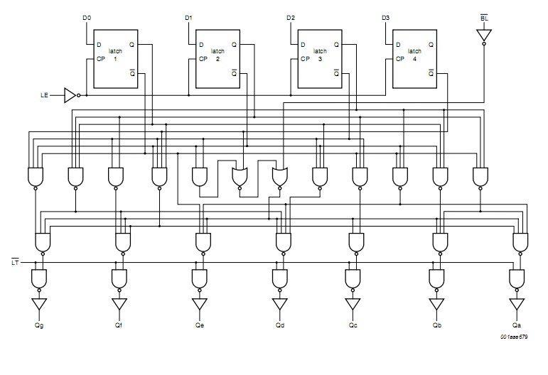
The HEF4511BP is a BCD to 7-segment latch/decoder/driver with four address inputs (D0 to D3), an active HIGH latch enable input (LE), an active LOW ripple blanking input (BL), an active LOW lamp test input (LT), and seven active HIGH NPN bipolar transistor segment outputs (Qa to Qg). The HEF4511BP operates over a recommended VDD power supply range of 3 V to 15 V referenced to VSS (usually ground).The HEF4511BP is also suitable for use over the industrial (-40℃ to +85℃) and automotive (-40℃ to +125℃)temperature ranges.
Parametrics
HEF4511BP absolute maximum ratings: (1)supply voltage:-0.5V to +18 V; (2)input clamping current:±10 mA; (3)input voltage:-0.5V to VDD + 0.5 V; (4)output clamping current:±10 mA; (5)input/output current:±10 mA; (6)supply current:50 mA; (7)storage temperature:-65℃ to +150℃; (8)ambient temperature:-40℃ to +125℃; (9)total power dissipation Tamb = -40℃ to + 125℃:750 mW; (10)power dissipation per output:100 mW;(11)HIGH-level output current:-25mA.
Features
HEF4511BP features: (1)Fully static operation; (2)5 V, 10 V, and 15 V parametric ratings; (3)Standardized symmetrical output characteristics; (4)Operates across the automotive temperature range -40℃ to +125 ℃; (5)Complies with JEDEC standard JESD 13-B.
Diagrams

| Image | Part No | Mfg | Description | ![]() |
Pricing (USD) |
Quantity | ||||||||||||
|---|---|---|---|---|---|---|---|---|---|---|---|---|---|---|---|---|---|---|
![]() |
![]() HEF4511BP,652 |
![]() NXP Semiconductors |
![]() Encoders, Decoders, Multiplexers & Demultiplexers BCD-7 SEG DECODER/DRVR |
![]() Data Sheet |
![]()
|
|
||||||||||||
| Image | Part No | Mfg | Description | ![]() |
Pricing (USD) |
Quantity | ||||||||||||
![]() |
![]() HEF4000B |
![]() Other |
![]() |
![]() Data Sheet |
![]() Negotiable |
|
||||||||||||
![]() |
![]() HEF4000BP,652 |
![]() NXP Semiconductors |
![]() Gates (AND / NAND / OR / NOR) DUAL 3-INPUT NOR |
![]() Data Sheet |
![]()
|
|
||||||||||||
![]() |
![]() HEF4000BT,652 |
![]() NXP Semiconductors |
![]() Gates (AND / NAND / OR / NOR) DUAL 3-INPUT NOR |
![]() Data Sheet |
![]()
|
|
||||||||||||
![]() |
![]() HEF4000BT,653 |
![]() NXP Semiconductors |
![]() Gates (AND / NAND / OR / NOR) DUAL 3-INPUT NOR |
![]() Data Sheet |
![]()
|
|
||||||||||||
![]() |
![]() HEF4001B |
![]() Other |
![]() |
![]() Data Sheet |
![]() Negotiable |
|
||||||||||||
![]() |
![]() HEF4001BP,652 |
![]() NXP Semiconductors |
![]() Gates (AND / NAND / OR / NOR) QUAD 2-IN NOR GATE |
![]() Data Sheet |
![]()
|
|
||||||||||||
(China (Mainland))










