Product Summary
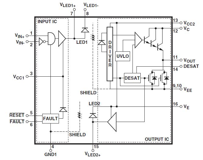
The HCPL-316J is a 2.5 Amp Gate Drive Optocoupler with Integrated Desaturation (VCE) Detection and Fault Status Feedback. The device makes IGBT VCE fault protection compact, affordable, and easy-to-implement while satisfying worldwide safety and regulatory requirements. The HCPL-316J is an easy-to-use, intelligent gate driver. The device makes IGBT VCE fault protection compact, affordable, and easy-to-implement. Features of the HCPL-316J such as user configurable inputs, integrated VCE detection, under volt-age lockout (UVLO), soft IGBT turn-off and isolated fault feed back provide maximum design flexibility and circuit protection.
Parametrics
HCPL-316J absolute maximum ratings: (1)Storage Temperature, Ts: -55 to 125℃; (2)Operating Temperature, TA: -40 to 100℃; (3)Output IC Junction Temperature, TJ: 125℃ max; (4)Peak Output Current, |Io(peak)|: 2.5A max; (5)Fault Output Current, IFAULT: 8.0 mA max; (6)Positive Input Supply Voltage, VCC1: -0.5 to 5.5 Volts; (7)Input Pin Voltages, VIN+, VIN- and VRESET: -0.5V to VCC1; (8)Total Output Supply Voltage, (VCC2 - VEE): -0.5 to 35V; (9)Negative Output Supply Voltage, (VE - VEE): -0.5 to 15V; (10)Positive Output Supply Voltage, (VCC2 - VE): -0.5 to 35 - (VE - VEE); (11)Gate Drive Output Voltage, Vo(peak): -0.5 to VCC2; (12)Collector Voltage, VC: VEE + 5 V to VCC2; (13)DESAT Voltage, VDESAT: VE to VE + 10V; (14)Output IC Power Dissipation, PO: 600 mW max; (15)Input IC Power Dissipation, PI: 150mW max.
Features
HCPL-316J features: (1)Soft IGBT turn-off; (2)Integrated fail-safe IGBT protection: Desat (VCE) detection; Under Voltage Lock-Out protection (UVLO) with hysteresis; (3)User configurable: inverting, noninverting, auto-reset, auto-shutdown; (4)Wide operating VCC range: 15 to 30 Volts; (5)-40 to +100℃ operating temperature range; (6)15 kV/μs min. Common Mode Rejection (CMR) at VCM =1500V; (7)Regulatory approvals: UL, CSA, IEC/EN/DIN EN 60747-5-2 (1230Vpeak Working Voltage).
Diagrams

| Image | Part No | Mfg | Description | ![]() |
Pricing (USD) |
Quantity | ||||||||||||
|---|---|---|---|---|---|---|---|---|---|---|---|---|---|---|---|---|---|---|
![]() |
![]() HCPL-316J |
![]() Avago Technologies |
![]() Logic Output Optocouplers 2.0A IGBT Gate Drive |
![]() Data Sheet |
![]()
|
|
||||||||||||
![]() |
![]() HCPL-316J#500 |
![]() Avago Technologies |
![]() Logic Output Optocouplers 2.0A IGBT Gate Drive |
![]() Data Sheet |
![]()
|
|
||||||||||||
![]() |
![]() HCPL-316J-500E |
![]() Avago Technologies |
![]() Logic Output Optocouplers 2.0A IGBT Gate Drive |
![]() Data Sheet |
![]()
|
|
||||||||||||
![]() |
![]() HCPL-316J-000E |
![]() Avago Technologies |
![]() Logic Output Optocouplers 2.0A IGBT Gate Drive |
![]() Data Sheet |
![]()
|
|
||||||||||||
(China (Mainland))









