Product Summary
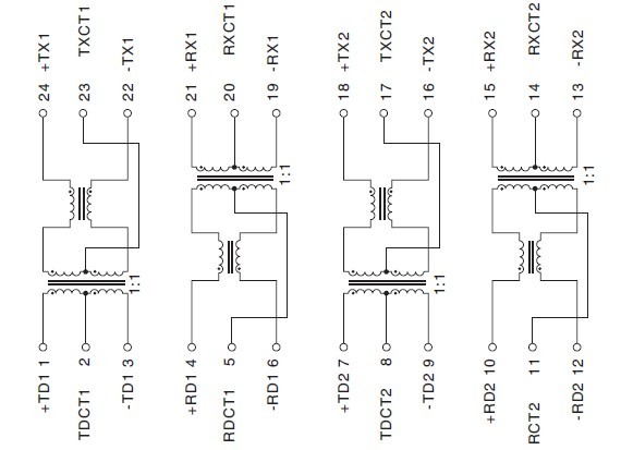
The H1174NL is a 10/100 base-tx dual port transformer module for use with transceivers requiring 1:1 transmit and receive turns ratios.
Parametrics
H1174NL Specifications: (1)Insertion Loss(dB typ) 0.1-100 MHz: -1.2; (2)Return Loss(dB MIN): 2-30 MHz: -18; 40 MHz: -16; 50 MHz: -14; 60-80 MHz: -12; (3)Crosstalk(dB TYP): 1 MHz: -60; 30 MHz: -45; 60 MHz: -40; 100MHz: -35; (4)Differential to Common Mode Rejection(dB typ): 1-60 MHz: -45; 60-200 MHz: -35.
Features
H1174NL features: (1)RoHS-5 peak reflow temperature rating 235℃; (2)RoHS-6 peak reflow temperature rating 245℃; (3)Meets IEEE 802.3 specification; (4)Some models offer AutoMDIX capability.
Diagrams

| Image | Part No | Mfg | Description | ![]() |
Pricing (USD) |
Quantity | ||||||||||||
|---|---|---|---|---|---|---|---|---|---|---|---|---|---|---|---|---|---|---|
![]() |
![]() H1174NL |
![]() Pulse |
![]() Transformers Audio & Signal DUAL LOW PROFILE |
![]() Data Sheet |
![]()
|
|
||||||||||||
![]() |
![]() H1174NLT |
![]() Pulse |
![]() Transformers Audio & Signal 24-PIN |
![]() Data Sheet |
![]()
|
|
||||||||||||
(China (Mainland))









