Product Summary
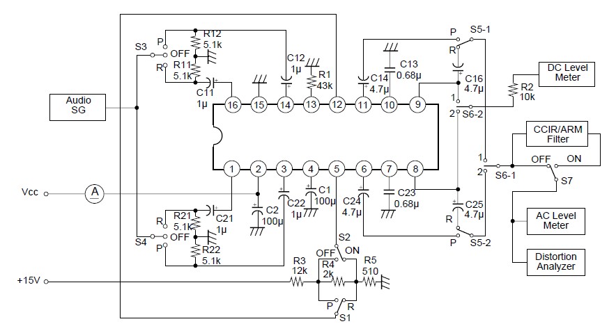
The CXA1101M-T4 is a Noise Reduction System. It includes two separate Dolby B type noise reduction processors. Seven devices with four Dolby levels and two types of package are provided for various applications. The CXA1101M-T4 features very few external components, which is achieved by integrated filter circuits using integrated thin film capacitors with high capacitance.
Parametrics
CXA1101M-T4 absolute maximum ratings: (1)Supply voltage VCC: 17 V; (2)Operating temperature Topr: -30 to +85 ℃; (3)Storage temperature Tstg: -55 to +150 ℃; (4)Allowable power dissipation PD SOP16: 500 mW.
Features
CXA1101M-T4 features: (1)Minimum number of external components; (2)NR ON/OFF and REC/PB switchs included; (3)mall package (DIP16, SOP16); (4)Small supply current (≈5.5mA, Typ.); (5)?Dual channel processors in one chip.
Diagrams

![]() |
![]() CXA10 |
![]() Other |
![]() |
![]() Data Sheet |
![]() Negotiable |
|
||||||||||||
![]() |
![]() CXA10-48D05 |
![]() Emerson / Astec Power |
![]() DC/DC Converters 10W 5V 1A |
![]() Data Sheet |
![]() Negotiable |
|
||||||||||||
![]() |
![]() CXA10-48D05J |
![]() Emerson / Astec Power |
![]() DC/DC Converters 10W 5V 1A |
![]() Data Sheet |
![]()
|
|
||||||||||||
![]() |
![]() CXA10-48D12 |
![]() Emerson / Astec Power |
![]() DC/DC Converters 10W 12V 0.41A |
![]() Data Sheet |
![]() Negotiable |
|
||||||||||||
![]() |
![]() CXA10-48D12J |
![]() Emerson / Astec Power |
![]() DC/DC Converters 10W 12V 0.41A |
![]() Data Sheet |
![]()
|
|
||||||||||||
![]() |
![]() CXA10-48D12-SJ |
![]() Emerson / Astec Power |
![]() DC/DC Converters 10W 36-75Vin Dual -/+12V -/+0.4A |
![]() Data Sheet |
![]()
|
|
||||||||||||
(China (Mainland))









