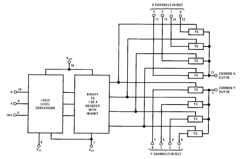
Product Summary
The CD4052 is an analog mul-tiplexer/demultiplexer. It is a digitally controlled analog switch having low ON impedance and very low OFF leakage currents. Control of analog signals up to 15Vp-p can be achieved by digital signal amplitudes of 3-15V. The multiplexer circuit CD4052 dissipate extremely low quiescent power over the full VDD-VSS and VDD-VEE supply voltage ranges, independent of the logic state of the control signals. When a logical 1 is present at the inhibit input terminal all channels are OFF.
Parametrics
CD4052 absolute maximum ratings: (1)DC Supply Voltage (VDD): -0.5 VDC to +18 VDC; (2)Input Voltage (VIN): -0.5 VDC to VDD +0.5 VDC; (3)Storage Temperature Range (TS): -65 to +150℃; (4)Power Dissipation (PD): 700 mW; (5)Lead Temperature (TL) (soldering, 10 seconds): 260℃.
Features
CD4052 features: (1)Wide range of digital and analog signal levels: digital 3 – 15V, analog to 15Vp-p; (2)Low ON resistance: 80Ω (typ.) over entire 15Vp-p signal-input range for VDD - VEE = 15V; (3)High OFF resistance: channel leakage of ±10 pA (typ.) at VDD - VEE = 10V; (4)Logic level conversion for digital addressing signals of 3 – 15V (VDD - VSS = 3 – 15V) to switch analog signals to 15 Vp-p (VDD - VEE = 15V); (5)Matched switch characteristics: △RON = 5Ω (typ.) for VDD - VEE = 15V; (6)Very low quiescent power dissipation under all digital-control input and supply conditions: 1 μ W (typ.) at VDD - VSS = VDD - VEE = 10V; (7)Binary address decoding on chip.
Diagrams

| Image | Part No | Mfg | Description | ![]() |
Pricing (USD) |
Quantity | ||||||||||||
|---|---|---|---|---|---|---|---|---|---|---|---|---|---|---|---|---|---|---|
![]() |
![]() CD4052BC |
![]() Other |
![]() |
![]() Data Sheet |
![]() Negotiable |
|
||||||||||||
![]() |
![]() CD4052BCM |
![]() Fairchild Semiconductor |
![]() Multiplexer Switch ICs Multiplex/Demultiple |
![]() Data Sheet |
![]() Negotiable |
|
||||||||||||
![]() |
![]() CD4052BCMX |
![]() Fairchild Semiconductor |
![]() Multiplexer Switch ICs Multiplex/Demultiple |
![]() Data Sheet |
![]() Negotiable |
|
||||||||||||
![]() |
![]() CD4052BCSJ_Q |
![]() Fairchild Semiconductor |
![]() Multiplexer Switch ICs Multi/Demultiplexer Dual 4Ch analog |
![]() Data Sheet |
![]() Negotiable |
|
||||||||||||
![]() |
![]() CD4052BE |
![]() Texas Instruments |
![]() Multiplexer Switch ICs 4-Ch. Analog |
![]() Data Sheet |
![]()
|
|
||||||||||||
![]() |
![]() CD4052BEE4 |
![]() Texas Instruments |
![]() Multiplexer Switch ICs 4-Ch. Analog |
![]() Data Sheet |
![]()
|
|
||||||||||||
![]() |
![]() CD4052BM96E4 |
![]() Texas Instruments |
![]() Multiplexer Switch ICs 4-Ch. Analog |
![]() Data Sheet |
![]() Negotiable |
|
||||||||||||
![]() |
![]() CD4052BM96G3 |
![]() Texas Instruments |
![]() Multiplexer Switch ICs CMOS Diff 4Ch Analog Mux/Demux |
![]() Data Sheet |
![]()
|
|
||||||||||||
(China (Mainland))















