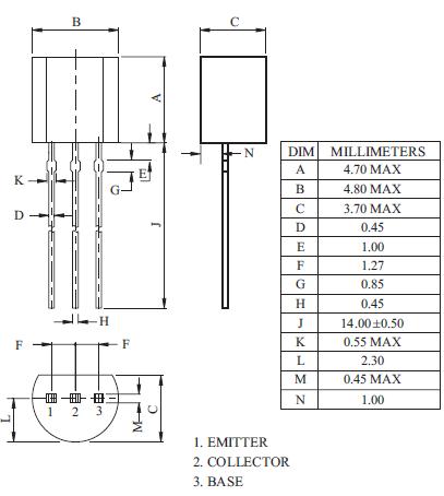
Product Summary
The C3203 is an epitaxial planar NPN transistor. The device is suitable for high current application.
Parametrics
C3203 absolute maximum ratings: (1)Collector-Base Voltage, VCBO: 35 V; (2)Collector-Emitter Voltage, VCEO: 30 V; (3)Emitter-Base Voltage, VEBO: 5 V; (4)Collector Current, IC: 800 mA; (5)Emitter Current, IE: -800 mA; (6)Collector Power Dissipation, PC: 400 mW; (7)Junction Temperature, Tj: 150℃; (8)Operating Temperature, Topr: -40~85℃; (9)Storage Temperature Range, Tstg: -55~150℃.
Features
C3203 features: (1)Complementary to KTA1271A.
Diagrams

![]() |
![]() C3200-6095A |
![]() Honeywell |
![]() Industrial Temperature Sensors FLEX HEATERS |
![]() Data Sheet |
![]()
|
|
||||||||||||
![]() |
![]() C3200-6136 |
![]() Honeywell |
![]() Industrial Temperature Sensors FLEX HEATERS |
![]() Data Sheet |
![]()
|
|
||||||||||||
![]() |
![]() C3200-6136A |
![]() Honeywell |
![]() Industrial Temperature Sensors FLEX HEATERS |
![]() Data Sheet |
![]()
|
|
||||||||||||
![]() |
![]() C3200-6138A |
![]() Honeywell |
![]() Industrial Temperature Sensors FLEX HEATERS |
![]() Data Sheet |
![]()
|
|
||||||||||||
![]() |
![]() C3200-6142 |
![]() Honeywell |
![]() Industrial Temperature Sensors FLEX HEATERS |
![]() Data Sheet |
![]()
|
|
||||||||||||
![]() |
![]() C3200-6142A |
![]() Honeywell |
![]() Industrial Temperature Sensors FLEX HEATERS |
![]() Data Sheet |
![]()
|
|
||||||||||||
(China (Mainland))








