Product Summary
The C2458 is a transistor. The device is suitable for audio amplifier applications and low noise audio amplifier applications.
Parametrics
C2458 absolute maximum ratings: (1)Collector-Base Voltage, VCBO: 50V; (2)Collector-Emitter Voltage, VCEO: 50V; (3)Emitter-Base Voltage, VEBO: 5V; (4)Collector Current, IC: 150mA; (5)Base Current, IB: 50mA; (6)Collector Power Dissipation, PC: 200mW; (7)Junction Temperature, Tj: 125℃; (8)Storage Temperature Range, Tstg: -55 to 125℃.
Features
C2458 features: (1)High Current Capability: Ic = 150mA (Max.); (2)High DC Current Gain: hpE = 70-700; (3)Excellent hFE Linearity: hFE dc = 0.1mA) / hFE dc = 2mA) = 0.95 (Typ.); (4)Low Noise: NF (2) = 0.2dB (Typ.), 3dB (Max.); (5)Complementary to 2SA1048; (6)Small Package.
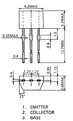
Diagrams

(China (Mainland))






