Product Summary
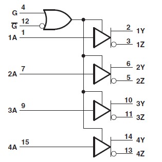
The AM26C31IPWR is a quadruple differential line driver. It is designed to meet the requirements of TIA/EIA-422-B and ITU (formerly CCITT). The 3-state outputs of the AM26C31IPWR have high-current capability for driving balanced lines, such as twisted-pair or parallel-wire transmission lines, and the AM26C31IPWR provides the high-impedance state in the power-off condition. The enable functions are common to all four drivers and offer the choice of an active-high (G) or active-low (G) enable input. BiCMOS circuitry reduces power consumption without sacrificing speed.
Parametrics
AM26C31IPWR absolute maximum ratings: (1)VCC Supply voltage range: –0.5 to 7 V; (2)VI Input voltage range: –0.5 to VCC + 0.5 V; (3)VID Differential input voltage: –14 to 14 V; (4)VO Output voltage range: –0.5 to 7 V; (5)IIK IOK Input or output clamp current: ±20 mA; (6)lO output current: ±150 mA; (7)TJ Operating virtual junction temperature: 150 ℃; (8)Tstg Storage temperature range: –65 to 150 ℃.
Features
AM26C31IPWR features: (1)Meets or Exceeds the Requirements of TIA/EIA-422-B and ITU Recommendation V.11; (2)Low Power, ICC = 100 μA Typ; (3)Operates From a Single 5-V Supply; (4)High Speed, tPLH = tPHL = 7 ns Typ; (5)Low Pulse Distortion, tsk(p) = 0.5 ns Typ; (6)High Output Impedance in Power-Off Conditions; (7)Improved Replacement for AM26LS31; (8)Available in Q-Temp Automotive.
Diagrams

| Image | Part No | Mfg | Description | ![]() |
Pricing (USD) |
Quantity | ||||||||||||
|---|---|---|---|---|---|---|---|---|---|---|---|---|---|---|---|---|---|---|
![]() |
![]() AM26C31IPWR |
![]() Texas Instruments |
![]() RS-422 Interface IC Quad Diff Line Drvr |
![]() Data Sheet |
![]()
|
|
||||||||||||
![]() |
![]() AM26C31IPWRG4 |
![]() Texas Instruments |
![]() RS-422 Interface IC Quad Diff Line Drvr |
![]() Data Sheet |
![]()
|
|
||||||||||||
(China (Mainland))









