Product Summary
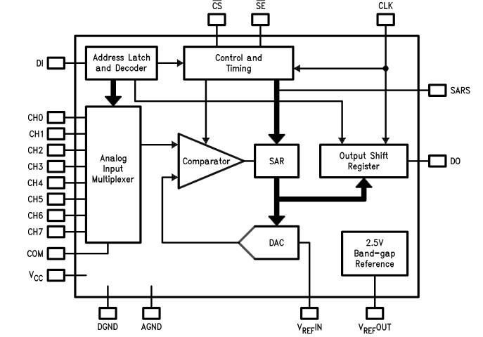
The ADC08134BIWM is an 8-Bit High-Speed Serial I/O A/D Converter with Multiplexer Options, Voltage Reference, and Track/Hold Function. It is configured to comply with the NSC MICROWIRE serial data exchange standard for easy interface to the COPS family of controllers, and can easily interface with standard shift registers or microprocessors. The ADC08134BIWM provides a 2.5V band-gap derived reference with guaranteed performance over temperature. The applications of the ADC08134BIWM include: Digitizing automotive sensors, Process control/monitoring, Remote sensing in noisy environments, Embedded diagnostics.
Parametrics
ADC08134BIWM absolute maximum ratings: (1)Supply Voltage (VCC): 6.5V; (2)Voltage at Inputs and Outputs: -0.3V to VCC + 0.3V; (3)Input Current at Any Pin: ±5 mA; (4)Package Input Current: ±20 mA; (5)Power Dissipation at TA = 25℃: 800 mW; (6)ESD Susceptibility: 1500V; (7)Storage Temperature: -65℃ to +150℃.
Features
ADC08134BIWM features: (1)Serial digital data link requires few I/O pins; (2)Analog input track/hold function; (3)4- or 8-channel input multiplexer options with address logic; (4)On-chip 2.5V band-gap reference (±2% over temperature guaranteed); (5)No zero or full scale adjustment required; (6)TTL/CMOS input/output compatible; (7)0V to 5V analog input range with single 5V power supply.
Diagrams

![]() |
![]() ADC0800 |
![]() Other |
![]() |
![]() Data Sheet |
![]() Negotiable |
|
||||||||||||
![]() |
![]() ADC0801 |
![]() Other |
![]() |
![]() Data Sheet |
![]() Negotiable |
|
||||||||||||
![]() |
![]() ADC0801LCN/NOPB |
![]() National Semiconductor (TI) |
![]() ADC (A/D Converters) |
![]() Data Sheet |
![]()
|
|
||||||||||||
![]() |
![]() ADC0801S040/DB |
![]() NXP Semiconductors |
![]() Data Conversion IC Development Tools ADC DEMO BOARD |
![]() Data Sheet |
![]()
|
|
||||||||||||
![]() |
![]() ADC0801S040TS/C1,1 |
![]() NXP Semiconductors |
![]() ADC (A/D Converters) SGL 8-BIT ADC 40MSPS ULTRA LO |
![]() Data Sheet |
![]()
|
|
||||||||||||
![]() |
![]() ADC0801S040TS/C1:1 |
![]() NXP Semiconductors |
![]() ADC (A/D Converters) ADC Single 40MSPS 8-Bit Parallel 20pin |
![]() Data Sheet |
![]() Negotiable |
|
||||||||||||
(China (Mainland))











