Product Summary
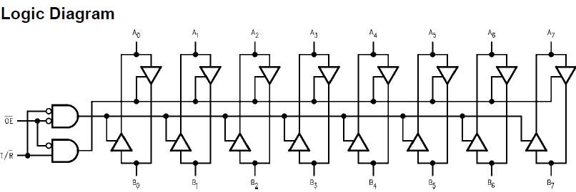
The 74LVX4245MTC is a dual-supply, 8-bit translating transceiver. The 74LVX4245MTC is designed to interface between a 5V bus and a 3V bus in a mixed 3V/5V supply environment. The 74LVX4245MTC Transmit/ Receive (T/R) input determines the direction of data flow. Transmit (active-HIGH) enables data from A Ports to B Ports; Receive (active-LOW) enables data from B Ports to A Ports. The Output Enable input, when HIGH, disables both A and B Ports by placing them in a high impedance condition. The 74LVX4245MTC A Port interfaces with the 5V bus; the B Port interfaces with the 3V bus. The 74LVX4245MTC is suitable for mixed voltage applications such as laptop computers using 3.3V CPU and 5V LCD displays.
Parametrics
74LVX4245MTC absolute maximum ratings: (1)Supply Voltage (VCCA, VCCB): -0.5V to +7.0V; (2)DC Input Voltage (VI) @ OE, T/R: -0.5V to VCCA + 0.5V; (3)DC Input/Output Voltage (VI/O) @ An: -0.5V to VCCA + 0.5V; @Bn: -0.5V to VCCB + 0.5V; (4)DC Input Diode Current (IIN) @ OE, T/R: ±20 mA; (5)DC Output Diode Current (IOK): ±50 mA; (6)DC Output Source or Sink Current (IO): ±50 mA; (7)DC VCC or Ground Current per Output Pin (ICC or IGND): ±50 mA; and Max Current @ ICCA: ±200 mA; @ ICCB ±100 mA; (8)Storage Temperature Range (TSTG): -65 to +150℃; (9)DC Latch-Up Source or Sink Current: ±300 mA.
Features
74LVX4245MTC features: (1)Bidirectional interface between 5V and 3V buses; (2)Control inputs compatible with TTL level; (3)5V data flow at A Port and 3V data flow at B Port; (4)Outputs source/sink 24 mA at 5V bus; 12 mA at 3V bus; (5)Guaranteed simultaneous switching noise level and dynamic threshold performance; (6)Implements patented EMI reduction circuitry; (7)Functionally compatible with the 74 series 245.
Diagrams

| Image | Part No | Mfg | Description | ![]() |
Pricing (USD) |
Quantity | ||||||||||||
|---|---|---|---|---|---|---|---|---|---|---|---|---|---|---|---|---|---|---|
![]() |
![]() 74LVX4245MTC |
![]() Fairchild Semiconductor |
![]() Bus Transceivers 8-Bit Dl Supp Trans |
![]() Data Sheet |
![]()
|
|
||||||||||||
![]() |
![]() 74LVX4245MTC_Q |
![]() Fairchild Semiconductor |
![]() Bus Transceivers 8-Bit Dl Supp Trans |
![]() Data Sheet |
![]() Negotiable |
|
||||||||||||
![]() |
![]() 74LVX4245MTCX |
![]() Fairchild Semiconductor |
![]() Bus Transceivers 8-Bit Dl Supp Trans |
![]() Data Sheet |
![]()
|
|
||||||||||||
(China (Mainland))









