Product Summary
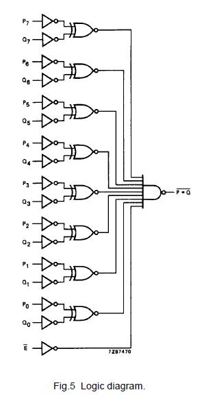
The 74HC688D is a high-speed Si-gate CMOS device. It is pin compatible with low power Schottky TTL (LSTTL). The 74HC688D is specified in compliance with JEDEC standard no. 7A. The 74HC688D is 8-bit magnitude comparators. The perform comparison of two 8-bit binary or BCD words. The output provides P·Q.
Parametrics
74HC688D absolute maximum ratings: (1)tPHL/ tPLH, propagation delay: 17 ns when CL = 15 pF; VCC = 5 V; (2)Pn, Qn to P = Q; E to P = Q 8ns when CL = 15 pF; VCC = 5 V; (3)Pn, Qn to P = Q; (4)CI, input capacitance: 3.5pF; (5)CPD, power dissipation capacitance per package: 30pF.
Features
74HC688D features: (1)Compare two 8-bit words; (2)Output capability: standard; (3)ICC category: MSI.
Diagrams

| Image | Part No | Mfg | Description | ![]() |
Pricing (USD) |
Quantity | ||||||||||||
|---|---|---|---|---|---|---|---|---|---|---|---|---|---|---|---|---|---|---|
![]() |
![]() 74HC688D |
![]() NXP Semiconductors |
![]() Comparator ICs 8-BIT MAGNITUDE COMP |
![]() Data Sheet |
![]() Negotiable |
|
||||||||||||
![]() |
![]() 74HC688D,652 |
![]() NXP Semiconductors |
![]() Comparator ICs 8-BIT MAGNITUDE COMP |
![]() Data Sheet |
![]()
|
|
||||||||||||
![]() |
![]() 74HC688DB,118 |
![]() NXP Semiconductors |
![]() Comparator ICs 8-BIT MAGNITUDE |
![]() Data Sheet |
![]()
|
|
||||||||||||
![]() |
![]() 74HC688DB,112 |
![]() NXP Semiconductors |
![]() Comparator ICs 8-BIT MAGNITUDE |
![]() Data Sheet |
![]()
|
|
||||||||||||
![]() |
![]() 74HC688D,653 |
![]() NXP Semiconductors |
![]() Comparator ICs 8-BIT MAGNITUDE COMPARATOR |
![]() Data Sheet |
![]()
|
|
||||||||||||
![]() |
![]() 74HC688DB |
![]() NXP Semiconductors |
![]() Comparator ICs 8-BIT MAGNITUDE COMPARATOR |
![]() Data Sheet |
![]() Negotiable |
|
||||||||||||
![]() |
![]() 74HC688DB-T |
![]() NXP Semiconductors |
![]() Comparator ICs 8-BIT MAGNITUDE COMPARATOR |
![]() Data Sheet |
![]() Negotiable |
|
||||||||||||
(China (Mainland))









